产业链

您当前的位置:

上海欧镜精密机械有限公司>BVP60空气锤

上海欧镜精密机械有限公司

高级会员第13年
所在地区:上海
认证信息:商安信认证
BVP60空气锤
湿式除尘装置-BVP60空气锤
价  格1元
  • 型号
    BVP30
    产地
    中国
  • 关注度
    1356
    信息完整度
  • 工作原理
    布袋
索取资料及报价
产品简介

BVP系列气锤式振动器为高强度铝合金。主要结构由撞击件和气室组成,内无弹簧等易损件,并可任意位置,任意方向安装。其利用压缩空气驱动气室内撞击件往复运动而产生一规则性振动,对架桥堵塞现象破坏效果**。此振动的振动力度大小及频率均可由调节压缩空气的压力大小及流量来控制,并能瞬间启动和停止工作。

   


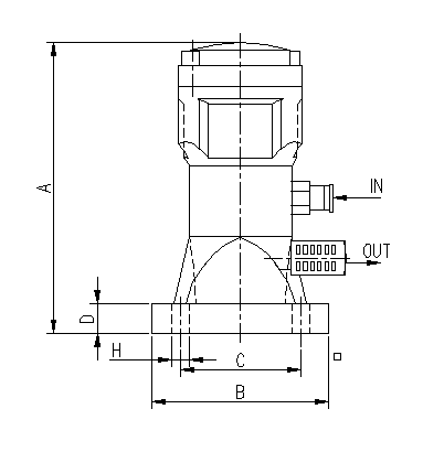
外型尺寸

技术参数

安装维护及注意事项
(1) 振动器底座用户自行焊接在合适位置上,振动器用4个M10×30螺栓与底座固定。电磁 、过滤器、油雾器. 气源接好。
(2) 振动器工作需纯净、干燥压缩空气,因此震定期检查过滤器,有损坏及时更换。
(3) 定期检查底座螺栓,以免上期振动使螺栓松动。
(4) 如有故障需通知厂家专业人员维护,严禁开盖拆卸。
安装前必须连接安全环链挂勾,以免螺丝松动,坠落伤人

BVP30 BVP40 BVP60