产业链

您当前的位置:

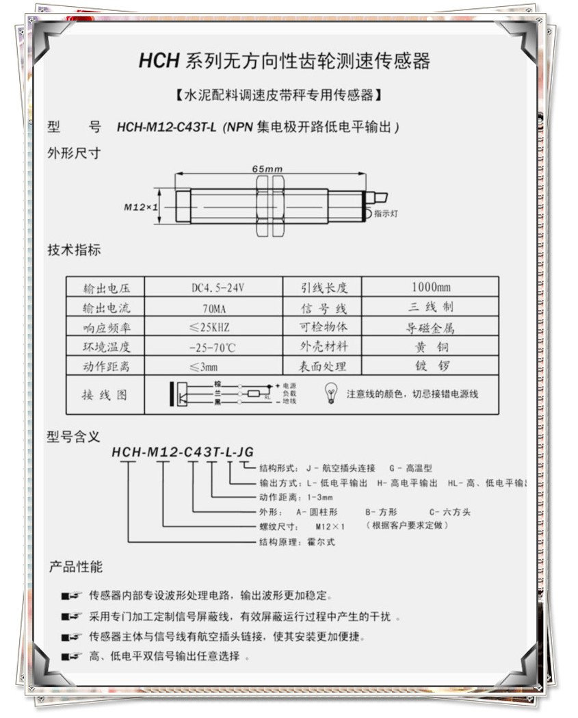
临朐百恩特机电有限公司>HCH-M12-C43T-H耐高温齿轮测速传感器 皮带秤齿轮测速传感器

临朐百恩特机电有限公司

高级会员第10年
所在地区:山东
认证信息:商安信认证
HCH-M12-C43T-H耐高温齿轮测速传感器 皮带秤齿轮测速传感器
粉体软连接-HCH-M12-C43T-H耐高温齿轮测速传感器 皮带秤齿轮测速传感器
价  格120元
  • 品牌
    百恩特
    型号
    HCH-M12-C43T-H
  • 产地
    临朐
    关注度
    2386
  • 信息完整度
    典型用户
    HCH-M12-C43T-H耐高温齿轮测速传感器 皮带秤齿轮测速传感器
  • 工作原理
    皮带
索取资料及报价
产品简介

HCH-M12-C43T-H