产业链

您当前的位置:

浙江双龙减速机有限公司>浙江双龙锥形高速双轴混合机减速机

浙江双龙减速机有限公司

高级会员第5年
所在地区:浙江
认证信息:商安信认证
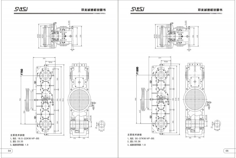
浙江双龙锥形高速双轴混合机减速机
混合机-浙江双龙锥形高速双轴混合机减速机
价  格11111元
  • 品牌
    双龙
    型号
    浙江双龙锥形高速双轴混合机减速机
  • 产地
    浙江
    关注度
    172
  • 信息完整度
    工作原理
    卧式
  • 物料类型
    固体颗粒
    处理量
    111
  • 能耗
    111
    全容积(m³)
    11
索取资料及报价
产品简介

噪声主要来源蜗轮副啮合区动振动,所以要较好地解决这些问加工精度,并尽可能改善啮合面的择润滑油,要合理设计油路使之畅通,使油液在啮合面能顺畅地进人啮合区域。具体的方法,在蜗轮顶部两侧面加工油涵,蜗轮滚齿后,用大滚刀或移动滚刀位置以及扳动刀架角度等方法,冉来切削蜗轮啮入口和啮出门处,还4以加人蜗轮顶圆圆弧半径。蜗轮减速机的装配质量对减速机的发热,漏油和噪卢的影响也是不可低估的。尤其是漏油,各贴合面密封胶是否均匀,螺钉是否拧紧,密封圈安装是否规范,有无异物灰尘,铁屑等夹杂在贴合面上或嵌入油封唇口等,都直接关系到该减速机今后是否会漏油。