产业链

您当前的位置:

浙江双龙减速机有限公司>浙江双龙高速双输出轴混合机减速机

浙江双龙减速机有限公司

高级会员第5年
所在地区:浙江
认证信息:商安信认证
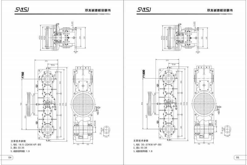
浙江双龙高速双输出轴混合机减速机
混合机-浙江双龙高速双输出轴混合机减速机
价  格11111元
  • 品牌
    双龙
    型号
    浙江双龙高速双输出轴混合机减速机
  • 产地
    浙江
    关注度
    150
  • 信息完整度
    全容积(m³)
    11
  • 工作原理
    立式
    物料类型
    干粉-膏体
  • 处理量
    111
    能耗
    111
索取资料及报价
产品简介

杆减速机是种具,结构紧凑传动比大,以及在定条件下具有可靠自锁功能的传动机械,也是常用的减速机之,由十有以上特点,而且生产工2成熟,也是当今生产量较大的种常用机械。 蜗杆减速机在生产和使用中都会发生,较为常的问。为了提传动效率,般均采用有色金属做蜗轮,蜗杆则采用较硬的钢材。由干它是滑动摩擦传动,就会因滑动摩擦而产生较高的热量,并产生噪声,对润滑油也有定的要求。在它所存在的诸多问中,从使用的角度来说,迕先是发热漏油和噪户,而产生这些问的原因则是多方面的,例如产品设计加工工艺制造过程设备的精度影响以及装配精度等。另外,还和材质滑油的粘度,战至与使用环境都行关系。就发热而,主要原因有点是材质搭配是否合理,是啮合摩檫面的面质是润滑油选择是否含理。