产业链

您当前的位置:

浙江双龙减速机有限公司>浙江双龙 F系列双轴专用减速机

浙江双龙减速机有限公司

高级会员第5年
所在地区:浙江
认证信息:商安信认证
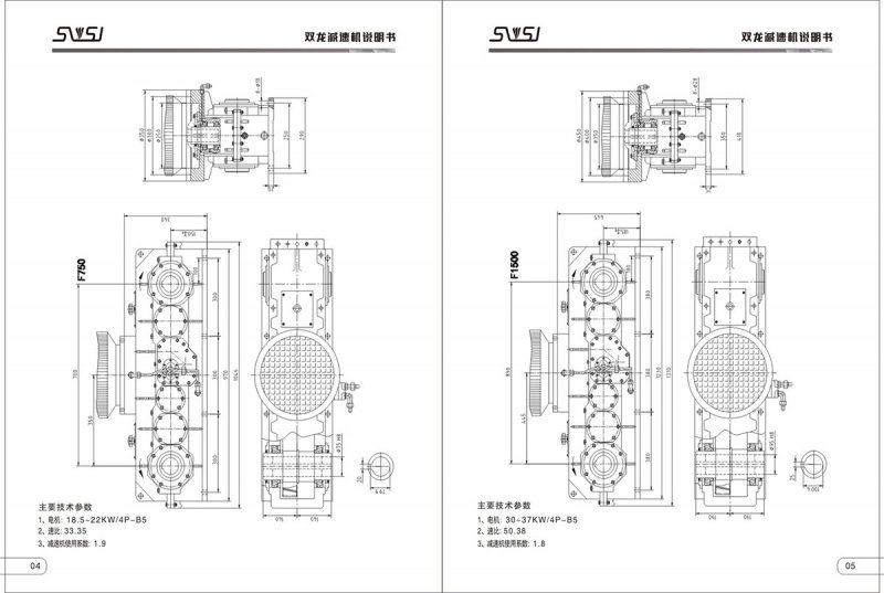
浙江双龙 F系列双轴专用减速机
混合机-浙江双龙 F系列双轴专用减速机
价  格11111元
  • 品牌
    双龙
    型号
    浙江双龙 F系列双轴专用减速机
  • 产地
    浙江
    关注度
    181
  • 信息完整度
    工作原理
    卧式
  • 物料类型
    粉状
    处理量
    111
  • 能耗
    111
    全容积(m³)
    11
索取资料及报价
产品简介

硬齿面齿轮减速机和涡轮减速机的区别;一、性质不同1、硬齿面齿轮减速机:一种相对精密的机械。2、涡轮减速机:一种动力传动元件,可与普通电机、无级变速器等传动产品配套使用。

二、特点不同

1、硬齿面齿轮减速机特点:(1)中心距、中心高、传动比采用数制数。(2)利用计算机对齿轮参数和结构进行了优化。(3)齿轮采用高强度低碳合金钢渗碳淬火磨削。齿面硬度高,齿轮精度达到标准6级。(4)传动,噪声低,承载能力达到90年代水平。2、涡轮减速机特点:根据减速器输出轴径的大小来确定机架型号,只要接口形式和尺寸一致,减速机输出轴的尺寸就可以在一定范围内上下浮动到齿条式。如果选用带拼接板的机架,当蜗轮减速器的安装尺寸与机架不符时,拼接板与减速器的连接可在一定范围内调整,以满足要求。