产业链

您当前的位置:

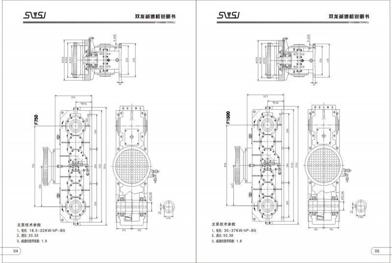
浙江双龙减速机有限公司>浙江双龙 F系列无重力混合机专用减速机

浙江双龙减速机有限公司

高级会员第5年
所在地区:浙江
认证信息:商安信认证
浙江双龙 F系列无重力混合机专用减速机
混合机-浙江双龙 F系列无重力混合机专用减速机
价  格11111元
  • 品牌
    双龙
    型号
    浙江双龙 F系列无重力混合机专用减速机
  • 产地
    浙江
    关注度
    204
  • 信息完整度
    工作原理
    卧式
  • 物料类型
    固体颗粒
    处理量
    111
  • 能耗
    111
    全容积(m³)
    11
索取资料及报价
产品简介

行星减速机其优点是结构比较紧凑,回程间隙小、精度较高,使用寿命很长,额定输出扭矩可以做的很大。

齿轮减速机具有体积小,传递扭矩大的特点。齿轮减速机在模块组合体系基础上设计制造,有多的电机组合、安装形式和结构方案,传动比分级细密,满足不同的使用工况,实现机电一体化。齿轮减速机传动,耗能低,性能优越。摆线针轮减速机是一种采用摆线针齿啮合行星传动原理的传动机型,是一种理想的传动装置,具有许多优点,用途广泛,并可正反运转。