产业链

您当前的位置:

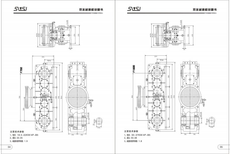
浙江双龙减速机有限公司>浙江双龙 F系列锥形螺带混合机减速机

浙江双龙减速机有限公司

高级会员第5年
所在地区:浙江
认证信息:商安信认证
浙江双龙 F系列锥形螺带混合机减速机
混合机-浙江双龙 F系列锥形螺带混合机减速机
价  格11111元
  • 品牌
    双龙
    型号
    浙江双龙 F系列锥形螺带混合机减速机
  • 产地
    浙江
    关注度
    237
  • 信息完整度
    工作原理
    卧式
  • 物料类型
    粉状
    处理量
    111
  • 能耗
    111
    全容积(m³)
    11
索取资料及报价
产品简介

齿轮减速电机是微型电机驱动闭式传动减速装置,就是减速机和电机的组合体,用来降低转速和增大转矩,以满足机械设备工作的需要,常用的微型齿轮减速电机主要有以下两种,分别是同轴式和两级圆柱式。同轴式同轴式微型斜齿轮减速电机结构紧凑,体积小,造型美观,承受过载能力强等特点,传动比分级精细,选择范围广,能耗低,性能优越,减速器达百分之九十六,振动小,噪音低等。微型齿轮减速电机通用性强,使用维护方便,维护成本低,而且新型的减速电机产品新型的密封装置,保护性能好,对环境的适应性强,可再一些腐蚀、潮湿等恶劣环境中连续工作。两级圆柱式两级的圆柱齿轮减速电机产品有高速级分流和低速级分流,高速级齿轮减速电机分流时性能较好,低速轴上的齿轮相对于轴承为对称布置,齿向载荷分布均匀。齿轮减速电机的同轴式安装方式的径向尺寸紧凑,但轴向尺寸较大,同时由于中间轴较长,轴在受载时绕曲较大,因而沿齿宽上的载荷集中现象较严重。