产业链

您当前的位置:

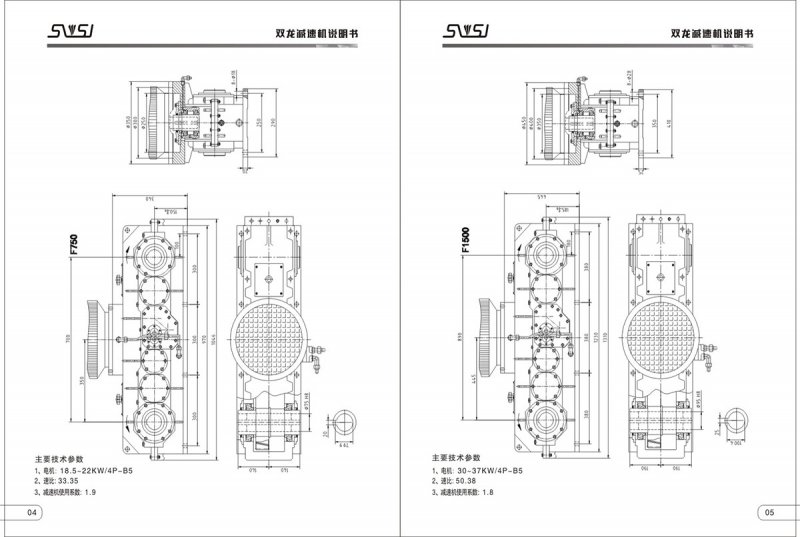
浙江双龙减速机有限公司>浙江双龙 F系列筒式无重力混合机减速机

浙江双龙减速机有限公司

高级会员第5年
所在地区:浙江
认证信息:商安信认证
浙江双龙 F系列筒式无重力混合机减速机
混合机-浙江双龙 F系列筒式无重力混合机减速机
价  格11111元
  • 品牌
    双龙
    型号
    浙江双龙 F系列筒式无重力混合机减速机
  • 产地
    浙江
    关注度
    156
  • 信息完整度
    工作原理
    卧式
  • 物料类型
    固体颗粒
    处理量
    111
  • 能耗
    111
    全容积(m³)
    11
索取资料及报价
产品简介

三、使用和维护1、减速机安装后,检查是否灵活。正式使用请必须进行空载试验,在运转正常的情况下,在逐步加载运转。2.减速机严禁过额定载荷使用。3、减速机在使用前和工作中应检查油位是否正常,本机在出厂前已加注润滑油,润滑油名称:中负荷工业齿轮油 GB5903-86220 。四、换油制度:次换油  本机运行300~400小时后应更换润滑油,以后每隔1500~2000小时更换润滑油。在工作环境恶劣、温度高、粉尘大的工作场合下应每隔半个月对润滑油进行一次检查,发现润滑油有污物即更换润滑油,以保持润滑油清洁,延长减速机的使用寿命,提高经济效益。五.油的更换换油时要等待减速机冷却下来无燃烧危险为止,但仍应保持温热,因为冷却后,油的粘度增大,放油困难。(注意:要切断传动装置电源,防止无意间通电)。