产业链

您当前的位置:

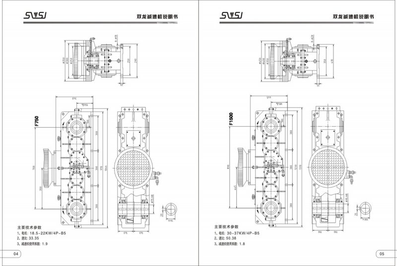
浙江双龙减速机有限公司>浙江双龙 F系列犁刀式混合机减速机

浙江双龙减速机有限公司

高级会员第5年
所在地区:浙江
认证信息:商安信认证
浙江双龙 F系列犁刀式混合机减速机
混合机-浙江双龙 F系列犁刀式混合机减速机
价  格11111元
  • 品牌
    双龙
    型号
    浙江双龙 F系列犁刀式混合机减速机
  • 产地
    浙江
    关注度
    166
  • 信息完整度
    工作原理
    卧式
  • 物料类型
    干粉-膏体
    处理量
    111
  • 能耗
    111
    全容积(m³)
    11
索取资料及报价
产品简介

微型减速电机在日常生活中应用及其广泛,特别是日常用品中的小工具。微型减速机安装使用及保养与维护:一、安装前的注意事项:1、本机在使用前应对安装轴进行清洗。并检查安装轴是否有碰伤、污物,若有应全部清除干净。2.减速机的使用温度为 0~40 ℃。3.检查与减速机联接的孔(或轴)的配合尺寸是否符合要求,孔的公差应为H7(轴的公差为H6)。4.使用前应将较高位处的堵塞换上排气螺塞,保证减速机运行时排出体内气体。二、减速机的安装1、减速机只能安装在平的、减震的、抗扭的支撑结构上。2、在任何情况下,不允许用锤子将皮带轮、联轴器、小齿轮或链轮等敲入输出轴上,这样会损坏轴承和轴。