产品名称:TQ-H4柱式称重传感器
产品特点:TQ-H4柱式称重传感器为全密封结构,采用氩弧焊接,防水、防尘能力达到IP68等级要求。承载方式为上球头压式,动态反应快,防过载能力强,安装容易,使用方便。
产品用途:TQ-H4柱式称重传感器适用于制造电子汽车衡、动态轨道衡、大吨位料斗秤等衡器。
量程:50kN(5t)、100kN(10t)、300kN(30t)、600kN(60t)、1000kN(100t)、2000kN(200t)、3000kN(300t)、5000kN(500t) 、8000kN(800t)、10000 kN(1000t)
技术参数及外形尺寸:
序号 | 产品技术参数 |
1 | 额定载荷 | 5-1000t |
2 | 综合精度 | 0.02;0.05 |
3 | 灵敏度 | 1.5-2.0mV/V |
4 | 零点输出 | ±1%F.S |
5 | 输入阻抗 | 450±20Ω |
6 | 输出阻抗 | 480±3Ω |
7 | 绝缘阻抗 | ≥5000MΩ |
8 | 补偿温度范围 | -10~50℃ |
9 | 适用温度范围 | -20~60℃ |
10 | 安全过载 | 120%F.S |
11 | 材质 | 合金钢 |
12 | 激励电压 | 10V(DC) |
13 | 接线方式 | 红……E+(输入正) 黑……E-(输入负) 绿……S+(输出正) 白……S-(输出负) |


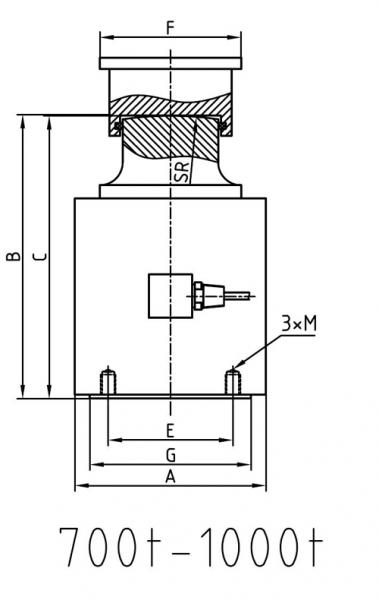
型号 | 量程(kN) | 量程(t) | A | B | C | E | F | G | H | SR | Minch | Mmm | MDP |
TQ-H4 | 50-200 | 5-20 | 75 | 83 | 32.5 | 64 | 10 | 31.8 | 62 | 125 | 1/2-20 | M12×1.75 | 13 |
300-600 | 30-60 | 100.6 | 127 | 54.6 | 86 | 14 | 59 | 88.6 | 152 | 3/4-16 | M18×1.5 | 18 |
900-2000 | 90-200 | 150.6 | 184.5 | 92 | 108 | 26 | 80 | 134.4 | 400 | 3/4-16 | M20×1.5 | 25 |
3000 | 300 | 164 | 229 | 92 | 108 | 26 | 93.7 | 148 | 400 | 3/4-16 | M20×1.5 | 25 |
5000 | 500 | 177 | 304.8 | 117 | 115 | 26 | 139.7 | 165.1 | 1143 | 3/4-16 | M20×1.5 | 32 |
8000 | 800 | 230 | 410 | 340 | 150 | 170 | 194 | / | 1000 | / | M18 | / |
10000 | 1000 | 280 | 460 | 380 | 165 | 188 | 220 | / | 1000 | / | M20 | / |
图片与实物略有差异,以实物为准 / 济南泰钦保留随时更改、撤消产品型号、规格的权利,恕不另行通知