42米长混凝土布料机布料臂架结构简介
布料臂架是典型的大悬臂结构也是履带式布料机的关键部件之一。它的设计合理与否将直接影响到布料机整个设备运行的安全性和可靠性。布料臂架是由三节可伸缩式的桁架结构组成的,分别称之为基础臂、中间臂和前臂,其中中间臂和前臂可以伸缩。整体结构为桁架结构,为使腹杆数和节点数*少,采用应用*广泛的人字式腹杆体系,为减小载荷,在应力大的地方加竖杆。如布料臂架结构简图所示。

伸缩臂架是由三节嵌套在一起的臂架组成,其断面结构如伸缩臂架截面图所示。

1 内节臂架 2 中间节臂架 3 基础节臂架 4 支承滑道
伸缩臂架截面图
基础臂架尾部与底盘的回转机构和变幅机构铰接;伸缩臂架属于两级伸缩结构,嵌套在里面的两节臂架可如抽屉一般自由拉出和缩回,以扩大伸缩行程,改变布料臂架的输送长度,从而正价、、增加布料半径。
42米长履带式混凝土布料机布料臂架结构设计
设计原则:整个布料臂架属于大型悬臂结构,完全伸出时悬臂长度可以达到42m,在进行结构设计时应除了考虑材料的刚度和强度因素外,应尽可能的减轻臂架自身的重量,当然材料的经济性也要考虑到。钢材选用的基本原则是:在结构满足安全需求,且工作可靠的前提下,节约钢材,降低成本。在选用钢材的过程中,应综合考虑各种因素:比如市场供应情况、结构的重要性、荷载特征、连接方法、工作环境和钢材的厚度。在设计时应特别注意厚度大的钢材由于轧制的压缩比小,同厚度小的钢材相比,强度较差,而且塑性、冲击韧性和焊接性能也都较差,而且焊接结构对化学成分和机械性能要求也比较高。
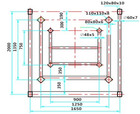
履带式混凝土布料机布料臂架主截面型式、尺寸及管材型号如布料臂架主截面型式、尺寸及管材型号所示。

布料臂架主截面型式、尺寸及管材型号
履带式布料机臂架选材如下:
前臂型材:
弦杆采用80×80×6的冷拔无缝等壁厚方型钢管,材料为390D(高强度低合金钢),屈服极限390MPa。腹杆使用Φ48×5的无缝钢管,材料45号钢,屈服极限335MPa。前臂头部支架采用70×50×6冷拔无缝等壁厚矩形钢管,材料Q235D,屈服极限235MPa。
中间臂型材:
弦杆采用110×110×8冷拔无缝等壁厚方型钢管,材料为390D高强度低合金钢),屈服极限390MPa。腹杆用Φ48×5(横向)和Φ60×7(竖向)的无缝钢管,材料45号钢,屈服极限335MPa。加强板材料为Q345D,屈服极限345MPa。
基础臂型材:
弦杆采用120×80×10的冷拔无缝等壁厚矩形钢管,材料为Q390D(高强度低合金钢),屈服极限390MPa。腹杆用Φ48×5(横向)和Φ60×7(竖向)的无缝钢管,材料45号钢,屈服极限335MPa。加强板材料为Q345D,屈服极限345MPa。
由于整个臂架为悬臂结构,虽然基础臂有伸缩油缸和卷筒支架保证其平衡,但是钢材选用时还得考虑尽量减轻自重,以免受力分析时不能保证整个悬臂的稳定,而且设计时还得考虑保证刚度。目前大多数布料臂架的设计方案都是采用管材焊接构成的。弦杆都使用高强度方形钢管来满足支承、滑动方面的结构设计需要;腹杆使用圆型钢管;考虑到伸缩过程中托辊的运动,上弦平面内同样采用圆形钢管材料来作托辊横梁兼作水平腹杆。
电话:13606279786




