产业链

您当前的位置:

江阴市研石自动化设备有限公司>全自动阀口包装机

江阴市研石自动化设备有限公司

高级会员第6年
所在地区:江苏
认证信息:商安信认证
全自动阀口包装机
粉体包装设备-全自动阀口包装机
价  格面议
  • 品牌
    研石
    型号
    AP-600
  • 产地
    无锡
    关注度
    415
  • 信息完整度
    工作原理
    自动计量
  • 自动化程度
    全自动
    包装速度
    4-6包/min
  • 包装类型
索取资料及报价
产品简介

image.png

气浮包装机技术参数:

型号规格:AP-600

适用物料:干粉状含沙物料(砂浆,瓷砖胶,灌浆料,粉刷石膏,轻质抹灰石膏等)

额定称重:15-50KG

包装速度: 5-7/min(注:不同的物料包装速度有差异)

包装精度:±0.2KG

工作气源:气压:0.6MPa,用气量:0.5m³/min,供气管直径:Ø10                        工工作电源: AC220V,电缆规格:3*1.5

收尘风量:≥2000m³/h

出料口尺寸:Ø54

总功率:0.5KW

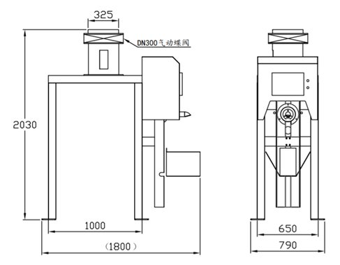
安装高度:2030mm

进料口尺寸:Ø300mm

标准外形尺寸:1800*790*2030(长*宽*高)