真空加料机EVC-10-6
本机适用于食品、化工、药品、调味品、新能源材料等粉状、片剂和细微颗粒的密封输送; 如:豆奶粉、中西药粉、葡萄糖粉、三元材料、爆米花、种子、冲剂等物料。
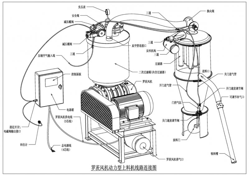
EVC真空加料机是用罗茨风机抽气,使吸料嘴进口处及整个系统处于一定的真空状态,粉粒料随同外界空气被吸入料嘴,形成料气流,经过吸料管到达料斗,在料斗中进行气、料分离。分离后的物料进入受料设备。送料、放料是通过气动三通阀不断地开、闭来完成的,而气动三通阀的开闭是由控制中心来控制的。
一、工作原理:
EVC真空加料机是用真空泵抽气,使吸料嘴进口处及整个系统处于一定的真空状态,粉粒料随同外界空气被吸入料嘴,形成料气流,经过吸料管到达料斗,在料斗中进行气、料分离。分离后的物料进入受料设备。送料、放料是通过气动三通阀不断地开、闭来完成的,而气动三通阀的开闭是由控制中心来控制的。
真空加料机中装有压缩空气反吹装置,每次放料时,压缩空气脉冲反吹过滤器,把吸附于过滤器表面的粉末打落下来,以保证吸料能正常运行。
二、调试安装
1、上料机的料斗一般固定在真空泵小车的立柱上,可上下移动,按受料设备的高度,调整好上料机料斗的位置。对受料设备(如包装机)料斗较高时,需另做支架固定真空上料机的料斗。
2、用软管把吸料嘴与料斗、料斗与真空泵连结好,并用喉箍卡紧。
3、接好电源。电源应采用三相五线制的电缆线,因为控制电路需要“工作0”,为了安全仍需要“保护0”,”保护0“的另一个作用是消除物料输送时产生的静电对控制芯片的干扰,造成控制系统死机。因此‘保护0”必须接上。
4、用 Φ 6压缩空气管插入系统进气口(过滤减压上),调整减压阀,保证系统的压力维持在0.6M pa,并按接管图将小车上压缩空气接头与真空料斗上气缸的压缩空气接头连接上。
5、接通电源,打开箱门,合上三相空气开关,此时控制盒上上料时间、放料时间显示器亮。
6、调整上料时间、放料时间。通过触摸增、减按钮将上料时间设定在10-30秒,将放料时间设定在2-6秒。
7、按下开/关按钮,接通旋涡气泵。检查真空泵的转向,若排风口无风排出,则电动机为反转,关掉开/关按钮,调换电源的接线相序,直至气泵转向正确为止。
8、按下开/关按钮,启动旋涡气泵,将吸料嘴插入料箱中,随即开始送料。吸料——放料(同时压缩空气反吹过滤器)为一个工作循环。真空加料机将自动循环下去,直至受料设备(如包装机)料斗中的料加满(此时料位开关亮)为止。
9、受料设备料斗中料位低于料位开关时,气动三通阀自动换向,系统重新进入吸料-放料循环,直至料斗中的料加满。
10、物料输送过程,由于摩擦原因会产生较大的静电,为了消除静电,应考虑对设备外壳可靠接地。
11、真空加料机采用了新型微孔膜过滤器,大幅提高了机器的加料能力和使用寿命。微孔膜过滤器的合理清洗对真空加料机的使用性能致关重要。清洗微孔膜过滤棒时我们建议按以下步骤进行:
1)用压缩空气反吹过滤棒表面的粉尘。
2)用不超过80℃的热水冲刷过滤棒的表面,或浸泡一定时间,用细毛刷刷净过滤棒的表面,注意绝不能用硬毛刷刷净过滤棒的表面,否则过滤棒表面将起毛,并且影响过滤棒的精度。
3)自然晾干或放在烘箱中烘干,烘箱温度不能高于50℃。只有充分干燥后的过滤器才能被允许装回机器上使用。
