产业链

您当前的位置:

合肥杜威智能科技股份有限公司>DWLZ金属管浮子流量计

合肥杜威智能科技股份有限公司

高级会员第7年
所在地区:安徽
认证信息:商安信认证
DWLZ金属管浮子流量计
脱硫除尘设备-DWLZ金属管浮子流量计
价  格3146元
  • 品牌
    杜威
    型号
    DWLZ
  • 产地
    中国
    关注度
    276
  • 信息完整度
    典型用户
    除尘除污、环保行业
  • 工作原理
    脱硫
    使用温度
    标准型(E):-80℃~200℃;PTFE:0℃~85℃; 高温型:-80℃~300℃
索取资料及报价
产品简介

一、概述

    金属管浮子流量计,它具有体积小,检测范围大,使用方便等特点,可用来测量液体、气体以及蒸汽的流量。口径从DN15~DN200,精度1.5级,特别适宜对低流速小流量的介质流量测量和高温、高压、不透明及腐蚀性介质的流量测量。

二、测量原理

    金属管浮子流量计检测部分是由一个自下向上扩张的垂直锥形管和一个沿着锥形管轴可以上下自由移动的浮子组成。被测流体从下向上经过锥管和浮子形成的环隙时,浮子上、下端产生差压形成浮子上升的力,当浮子所受上升力大于浸在流体中浮子重量时,浮子便上升,环隙面积随之增大,环隙处流体流速立即下降,浮子上下端差压降低,作用于浮子的上升力亦随着减少,直到上升力等于浸在流体中浮子重量时,浮子便稳定在某一高度。浮子在锥管中高度和通过的流量有着对应关系。DWLZ系列智能金属管浮子流量计是采用**技术生产的变面积式流量仪表,是工业自动化检测过程中常用的一种变面积流量。

三、结构特点

    ●适用于小管径和低流速介质流量测量
    ●可用于低雷诺数的介质的流量测量
    ●压力损失较低
    ●结构简单,工作可靠,维护量小,使用寿命长
    ●对上游直管段要求较低
    ●较宽的量程比10:1
    ●单轴灵敏指示
    ●非接触耦合传动结构确保位移传输稳定
    ●智能KVD转换器有就地显示型和智能远传型两种。具有在线双行液晶显示瞬时流量和累积流量的功能;可以实现参数设定; 具有数据掉电恢复


四、技术参数

    ●测量范围:水(20℃) 1~200000 l/h
                      空气(20℃,0.1013MPa)0.03~4000m3/h
    ●量程比:10:1
    ●精    度:1.5级
    ●压力等级:1.6Mpa、4.0Mpa、16Mpa、25Mpa
    ●压力损失:7KPa~70KPa
    ●介质温度:标准型(E):-80℃~200℃;
                      PTFE:  0℃~85℃;
                      高温型:-80℃~300℃
    ●允许介质粘度范围:小于这个上限值,流量测量不受粘度影响
                      DN15:η<5mPa.s (KV15.1-KV15.3)
                      DN20:η<30mPa.s (KV15.4-KV15.8)
                      DN25:η<250mPa.s
                      DN50-DN150:η<300mPa.s
    ●环境温度:指示器带液晶显示:-30℃~65℃;
                      就地指示型:-40℃~80℃
    ●连接形式:法兰连接HG20594、HG20595
    ●电缆接口:M20X1.5
    ●供电电源:标准型:24VDC,二线制4~20mA
                      交流型:85~265VAC 50HZ
                      电池型: 3.6V@7.5AH锂电池,可连续使用寿命三年以上
    ●输出信号:4~20mA
    ●报警输出: 上限或下限瞬时流量报警
    ●集电极开路输出:**100mA@30VDC阻抗100欧
    ●继电器输出:触点容量:1A@30VDC或0.25A@250VAC或 0.5A@125VAC
    ●脉冲输出: 累积脉冲输出,*小间隔50毫秒(报警和脉冲只能任选其一)
    ●液晶显示: 瞬时流量显示数值范围:0~50000,累计流量显示范围:0~99999999
    ●防护等级: IP65
    ●防爆标志: 本安型:Exia II CT5 隔爆型:Exd II Bt6
 
    智能远传型带有多参数标定功能,有数据恢复,数据备份及掉电保护功能

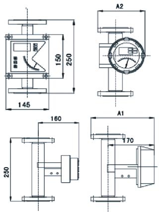
Fa标准型外形尺寸及重量压损表

五、产品选型