一、概述
DW908 是一款用于流程工业的液位变送器。
此变送器可测量与不锈钢材料316L和密封件材料兼容介质。其基本组件是一个压阻不锈钢传感器。它具有温漂系数小,线性高和长期稳定性好的特性。测量精度能够达到0.2% Fs。多种用于传送压力的填充液为客户在不同的应用场合提供了更多选择:如硅油、可食用油等。
测量高温介质时,客户可选用定制的冷却管,可测介质的**温度达到300 °C。齐平式过程连接件被制成英制镙纹、卡箍或乳制品管道等形式,其他压力接口和密封件可视客户需求提供。
二、典型应用
●生物制药
●流程工业
●冶金化工
●食品加工业
●造纸工业
三、特点
●齐平式过程连接件
●食品加工 、 制药 、 化工等
●介质温度**至300°C
●精度:±0.2%F.S
●额定量程液位从 0~1mH2O至0~700 mH2O
四、技术参数
●精 度:0.2% F.S
●电流负载特性:Rmax = [(VS-VS min) / 0.02]
●响应时间:<10 ms
●信号输出: 4~20 mA两线制
●电 源:18~36 VDC
●电磁兼容:射频保护符合 EN 61326
●抗 震:10gRMS(20~2000 Hz)
●抗冲击:100g/11 ms
●常规工作温度:-25~125 °C
●填充液:硅油(食用油可选)
●压力接口:316L不锈钢
●壳 体:304不锈钢
●隔 膜:316L不锈钢
●重 量:至少200g(取决于过程连接件)

五、产品选型

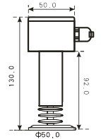
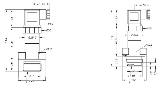
其它外形尺寸(mm)
英制螺纹

卡箍

乳制品管 散热片型
