DW301(DW300A)变送器应用**的可变电容传感器。这种MEMS传感器拥有超强敏感性以及长期稳定性。新的数字补偿技术由可靠的ASIC电路实现。坚固的ABS外壳封装,可以由DIN导轨安装或标准面板安装,LED电源指示灯帮助现场排疑或者快速指示变送器位置。可拆卸式欧式接线排帮助快速接线并减少错接可能性。
产品特点
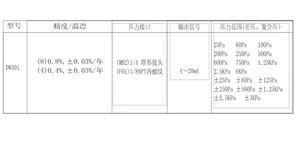
压力接口:
1/4"黄铜塔形接头(用于1/4"外径1/8" 内径接管)
1/8" NPT内螺纹,黄铜
电气连接:欧洲标准可插式接线端子排,接受12-26接线
外壳:NEMA Type 1阻燃型ABS (符合UL 94-5VA)
LED指示灯-标准配置
重量:约70克
介质:洁净干燥非腐蚀性气体
安装:螺纹紧固,以及35mm,DIN标准导轨
选项:1/2"导管/安装板以及罩
技术参数
精度(F.S):±0.8%F.S,±0.4%F.S精度包含线性,迟滞和重复性
稳定性: ≤0.5%F.S/年
工作温度:0~1600F(-17~71℃)
温度漂移:
零点 ±0.03%F.S/年
满量程 ±0.03%F.S/年
输出信号:4-20mA (2线)
供 电:12-36 Vdc(非调制)
反向接线保护
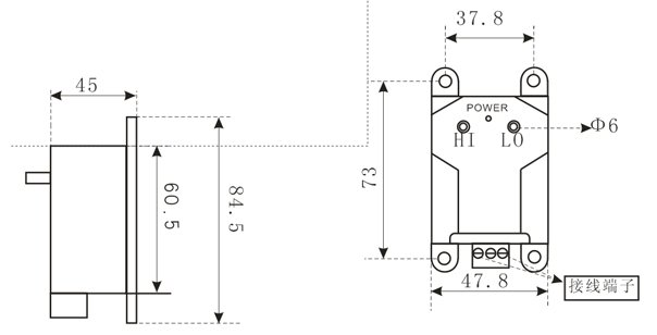
产品尺寸:

产品选型:
