产业链

您当前的位置:

合肥杜威智能科技股份有限公司>DW168系列微差压变送器

合肥杜威智能科技股份有限公司

高级会员第7年
所在地区:安徽
认证信息:商安信认证
DW168系列微差压变送器
脱硫除尘设备-DW168系列微差压变送器
价  格2200元
  • 品牌
    杜威
    型号
    DW168系列
  • 产地
    中国
    关注度
    683
  • 信息完整度
    典型用户
    除尘除污、环保行业
  • 工作原理
    脱硫
    使用温度
    -18~70°C
索取资料及报价
产品简介

概述
    DW168系列差压变送器可以±0.8%F.S精度测量很低的差压,适合于建筑物及机械设备的压力和气流控制。变送器可以承受100KPa以上的过压。可 变电容传感器具有灵敏度好和长期稳定性。紧凑,轻质设计使安装简便容易。它还带有反向保护功能。采用ABS外壳,美观大方。

特点
     ●反向接线保护
     ●抗震动,低漂移
     ●低量程时输出稳定,潮气和灰尘无影响
     ●根据温度变化逐点修正温度漂移
     ●采用ABS外壳,数码管发光显示

技术参数
      ●精    度: ±0.8%F.S  (精度包含线性,迟滞和重复性)
      ●量    程:从0~25Pa到±3KPa(根据型号)
      ●电    源:24Vdc
      ●输    出:4~20mA
      ●耐压特性:过压100KPa
      ●功    耗:5VA
      ●压力接口:1/8" 黄铜塔形接头
      ●工作温度:-18~70°C       
      ●储存温度:-40~80°C 
      ●补偿范围:1.6~54°C 
      ●温度漂移: ±0.03%F.S

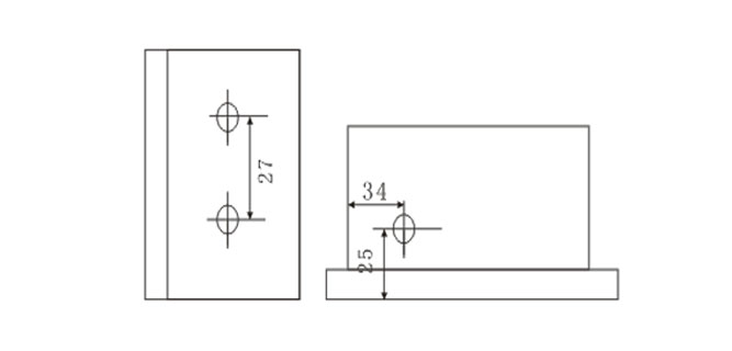
外形尺寸(mm)

                                                                     电气连接

产品选型