产业链

您当前的位置:

合肥杜威智能科技股份有限公司>DW120差压变送器

合肥杜威智能科技股份有限公司

高级会员第7年
所在地区:安徽
认证信息:商安信认证
DW120差压变送器
脱硫除尘设备-DW120差压变送器
价  格1450元
  • 品牌
    杜威
    型号
    DW120
  • 产地
    中国
    关注度
    662
  • 信息完整度
    典型用户
    除尘除污、环保行业
  • 工作原理
    脱硫
    使用温度
    -15~70℃
索取资料及报价
产品简介

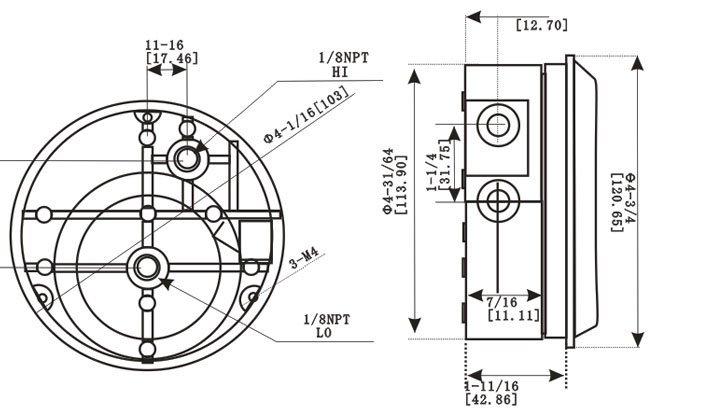
DW120系列微差压变送器外形尺寸与D2000系列指针式差压表完全相同.采用进口传感器芯片制造。传感器和放大电路高度集成;采用铝合金及应力隔离技术组装而成。灵敏度高、精度高,抗过载能力强。    

  产品特点

  压力接口:1/8" 塔形接头

  外壳:铸铝外壳,有机玻璃面板,深灰色涂层,可耐168小时 

        喷盐测试    

  重量:约70克  

  介质:洁净干燥非腐蚀性气体

  安装:垂直安装


  技术参数

  精度(F.S):±1%F.S  精度包含线性,迟滞和重复性     

  稳定性: ≤0.5%F.S/年

  单双向量程见选型表:

  响应时间:250ms

  温度范围:

        存储温度:-40~85℃

        工作温度:-15~70℃ 

  温度漂移:±0.03%F.S/年 

  过压范围:量程负载两倍

  安装位置影响:±1%/g

  输出信号:4-20mA  (2线)

  供    电:12-36VDC 

  反向接线保护

  零点和满量程调节: 外部调节 

  零点:±5%F.S  满量程:±5%F.S


  外形尺寸:

  

  产品选型: