DW200系列微差压变送器外形尺寸与D2000系列指针式差压表完全相同.采用进口传感器芯片制造。传感器和放大电路高度集成;采用铝合金及应力隔离技术组装而成。灵敏度高、精度高,抗过载能力强。仪表应用稳定传感器技术,解决了在微压测量领域常见的温度漂移和零位不准的难题。
产品特点
压力接口:1/8" 塔形接头
壳:铸铝外壳,有机玻璃面板,深灰色涂层,可耐168小时喷盐测试
重量:约70克
介质:洁净干燥非腐蚀性气体
安装:垂直安装
技术参数
精度(F.S):±1%F.S 精度包含线性,迟滞和重复性
稳定性: ≤0.5%F.S/年
单双向量程见选型表:
响应时间:250ms
温度范围:
存储温度:-40~85℃
工作温度:-15~70℃
温度漂移:±0.03%F.S/年
过压范围:量程负载两倍
安装位置影响:±1%/g
输出信号:4-20mA (2线)
供 电:12-36VDC
反向接线保护
零点和满量程调节: 外部调节
零点:±5%F.S 满量程:±5%F.S
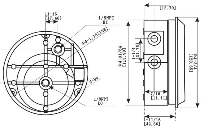
产品尺寸:
产品选型:
