一、差压表工作原理
杜威D2000系列微差压表是利用螺旋磁偶合技术,采用橡胶膜片做为敏感元件的弹性式差压仪表,当差压(包括正压、负压)作用于由膜片隔离的两个压腔时,膜片产生变形而使中心部分位移,带动装有磁钢调整量程的片簧移动,经磁偶合使螺旋轴转动,同时指针随轴一起转动,在仪表的刻度盘上指示压差值,从而达到测量差压的目的。
二、性能指标
D2000系列机械式微差压表是利用简单、无摩擦的磁体螺旋运动,以橡胶膜片作为敏感元件而进行测量工作的弹性式压力表,它能利用指针迅速指示出被测气体的压力,无论是正压、负压或差压。而且表内无需充注液体,也就没有气化、冻结、异味的问题出现。可应用于测量风扇和鼓风机的压力、过滤器阻力、风速、炉压、孔板差压、气泡水位系统压力等,同时也用于燃烧过程中的空气煤气比值控制及自动阀控制,以及医疗保健设备中的血压和呼吸压力监测。使用、安装、拆卸、维护简单方便。
● 被测的气体一定为非腐蚀性气体,避免腐蚀橡胶膜片等敏感元件。
● 被测气体不能含有粉尘等,以免堵塞气孔和附着仪表内部器件。
● 使用环境选择一个没有振动,环境温度在-7~60℃的地方,避免太阳直晒以免造成塑料面板老化。
三、技术参数
●介 质:空气和不易燃,兼容的气体(可选择天然气)
●外 壳:铸铝或ABS外壳,有机玻璃斜面面板。深灰色涂层,可耐168小时喷盐测试
●耐压范围:-20Hg.至15 psig (-0.677 bar 至1.034 bar)
●温度范围:20至140°F (-6.67 至60°C)
●开孔尺寸:114mm
●安装定位:膜片用于垂直方向
●连接件:相同的1/8" NPT的高压和低压接头,一对在侧面,一对在背面
●重 量: 500g/只
●标准附件:两个1/8"NPT螺纹接头,用作高、低压接头并与橡胶管连接;两个1/8"NPT堵头,用于堵住其余两个高低压口;三个带螺纹的埋头安装连接件(安装环、按扣环保持器用于替换MP和HP计上附件的三个接口)。
四、现场安装注意事项
1、未缠生料带直接拧螺纹
很多人在安装螺纹时认为无需缠生料带,既费时又麻烦。那么我们在家里安装水管等接头时为什么都会缠生料带?是不是不缠生料带就容易漏水?其实仪表也一样,虽然几乎所有仪表的安装使用说明书上都没有明文规定拧螺纹的地方需要缠生料带,但是一些老师傅几乎都会不自觉的去缠生料带。这几乎成为了他们一种习惯,一种约定俗成的常识。
● 生料带缠绕圈数:
缠生料带缠绕一般没有固定的圈数要求,因为生料带有厚的也有薄一些的,家用的水龙头一般在5圈到10圈,而我们仪表一般都是在3圈到5圈。
● 生料带的正确用法:
从螺纹边缘开始沿着螺纹方向顺时针缠绕3-5层即可,缠绕时要微微用力,在保持生料带不被拉断的情况下,有一定的延伸率,这样缠出的生料带才紧密可靠,方可保证不泄露。

2、带压调零
精密仪表调零要求在不带压情况下进行。
如果在不带压情况下调整好了零点,而在接上高、低压口的时候发现指针又不在零点了,则代表设备管道里本身带有气压。
杜威D2000-60Pa 差压表如果在不带压情况下调整好了零点,而在接上高、低压口的时候发现指针在5-10Pa内允许使用调零按钮调零,超过10Pa 以上必须检测设备管道排出气压后才能安装仪表。D2000-500Pa一般允许在20-50Pa范围内使用调零按钮调零。
3、瞬间压力过大
很多设备会有气泵等动力来源,当设备在启动或打开气阀时会出现瞬间压力过大,这样轻则仪表指针会打至*右端,重则冲坏橡胶膜片等敏感元件,造成仪表无法使用。
4、运输中注意事项
运输过程中避免磕碰,包装尤其小件包装一定要做好减震,避免因为野蛮运输对仪表造成伤害。运输过程中严禁摔、砸、磕、碰及雨淋、水浸。仪表在使用前的检测,一定要做到在垂直状态下检测,压力接口保证连接可靠。
如果仪表已经安装在了设备上,那么一定要保证仪表在运输过程中是垂直状态,并且关闭所有管道中的气阀门。
五、常见问题分析
1、指针挡在*左边卡死
A、新表在没有安装使用前产生指针挡在*左边卡死。
原因分析:有些是由于指针与针档之间产生的静电所致。还有些是运输不当,暴力分拣造成摔坏。(这个我们将选择安全可靠的快递公司并做好监督工作)
B、仪表在使用一段时间后出现指针挡在*左边卡死
原因分析:客户安装、使用不当造成,如经常安装堵头、宝塔头不缠生料带,造成堵头直接沉到仪表内部抵死内部器件;在安装好仪表后未进行调零,而是在接好高低压管道后再调零,通常管道里都会产生一定的差压,此时如果管道里差压稍大再调零就有可能超过仪表的调零范围,造成指针挡在*左边卡死,甚至造成仪表损坏;还有客户在设备使用过程中不当操作或其他原因造成瞬间负压也会出现指针挡在*左边卡死,而此时的指针挡在*左边卡死是为了保护仪表内部部分精密器件。
改进方案:尽快将详细的安装操作步骤和注意事项下发到每个安装工程师;同时想办法组织安装工程师的安装培训,避免人为造成的仪表损坏
2、针挡在*右边卡死
A、新表在没有安装使用前产生指针挡在*后边卡死
B、仪表在使用一段时间后出现指针挡在*后边卡死
原因分析:客户安装、使用不当造成,绝大部分都是因为管道过压造成,同样道理指针挡在*后边卡死也是为了保护仪表内部部分精密器件。
3、指针在中间不动、指针迟钝以及精度不准
原因分析:目前发现不到0.2%的是我公司中间一段时间在更换了螺旋器件工艺后造成。主要原因为长期使用造成螺旋器件的磨损,如果断裂就会造成指针在中间不动,如果磨损严重就会出现指针迟钝以及精度不准;也有一部分是因为运输和客户现场震动、摆动严重造成螺旋器件的损坏。
改进方案:**,改进运输包装、同时针对经常性出现此类问题的直接客户加大技术支持和培训力度,震动、摆动严重的现场建议更换其它变送器仪表;第二,改进螺旋器件的工艺流程。增加原材料的检测力度,杜绝不合格材料的流进生产,确保客户现场不再出现因为质量问题造成的客户投诉。
4、调零失效、不能归零
原因分析:我公司调零件的调零范围在(±50Pa),通常就是调零件的1.5圈到2圈左右,一旦超出这个范围就会出现调零件的断裂或卡死,造成调零失效。如果是在接上管道后不归零,简单的判断办法就是拔掉高低压管,看仪表高低压口在同一环境大气压下是否归零,如果归零则仪表没问题,就可以判断出是管道里还存在一定差压;如果仪表高低压口在同一环境大气压下任然不归零,则看是否在允许的误差范围内(通常60Pa 在2Pa 以内,500PA在10Pa),在允许范围内则仪表合格,只要调零就可以;如果超出误差范围则仪表问题,返厂维修。
改进方案:调零件的调零范围在仪表生产上国家是有统一标准的,所以所有仪表不可能无限范围内调零,目前只能加大安装使用工程师的培训,首先要明确管道里的差压到底多大,仪表安装前管道里是否已经存在一定的差压,在合理范围内进行调零。客户现在工程师要能清楚判定管道内是否还存在差压。
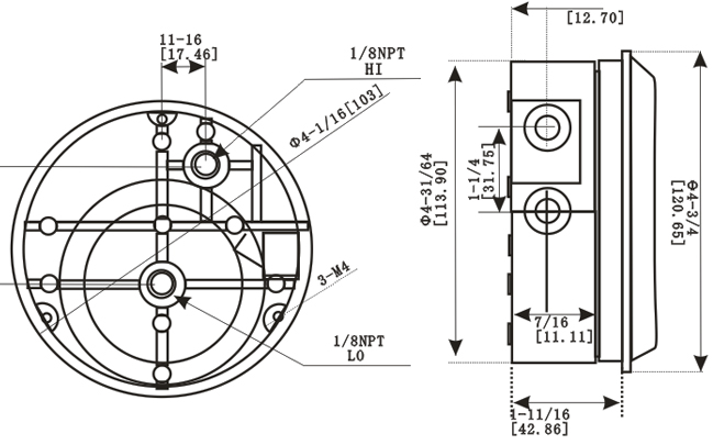
六、外形尺寸

七、产品选型:

八、选配件
