手机锂电网
微信
锂享通
客户服务
您当前的位置:
珠海市长陆工业自动控制系统有限公司
适用于几乎所有的散装物料,完全不受以下因素影响:◆ 介质和传导性散装物料◆ 料仓内灰尘◆ 受潮变质散装物料◆ 粘性物料◆ 料仓顶部无机械压力,传感器只接触散装物料表面◆ 安装和试运车非常简单◆ 高技术测量法,操作简便◆ 测量精度高◆ 输出量0/4-20mA◆ 许可用于危险区域10级(易爆、易燃粉尘)◆ 微处理器控制,智能监控测量◆ 内部带式清晰适用于特别难测的物料(带式版本)◆ 不同的重量感应,适用多种运用◆ 结实的外壳防护等级 IP 66◆ 内置有加热温控装置,可用于极低温度(-35℃),防止电气室产生冷凝水应用领域:可持续测量在料仓内的几乎所有的散装物料。应用图 (单位: mm)
适用于几乎所有的散装物料,完全不受以下因素影响:
◆ 介质和传导性散装物料
◆ 料仓内灰尘
◆ 受潮变质散装物料
◆ 粘性物料
◆ 料仓顶部无机械压力,传感器只接触散装物料表面
◆ 安装和试运车非常简单
◆ 高技术测量法,操作简便
◆ 测量精度高
◆ 输出量0/4-20mA
◆ 许可用于危险区域10级(易爆、易燃粉尘)
◆ 微处理器控制,智能监控测量
◆ 内部带式清晰适用于特别难测的物料(带式版本)
◆ 不同的重量感应,适用多种运用
◆ 结实的外壳防护等级 IP 66
◆ 内置有加热温控装置,可用于极低温度(-35℃),防止电气室产生冷凝水
应用领域:
可持续测量在料仓内的几乎所有的散装物料。
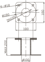
应用图
(单位: mm)
邮箱:libatterychina@163.com 北京:北京市海淀区上地三街9号金隅嘉华大厦C座904 010-62980511 山东:山东省临沂市鲁商中心A8楼1单元9层 0539-8601323
锂电中国(libattery.net)版权所有 Copyright By 北京贝特互创科技有限公司