产业链

您当前的位置:

上海克瑞阀门股份有限公司>D371X-16QB3涡轮对夹橡胶蝶阀

上海克瑞阀门股份有限公司

高级会员第8年
所在地区:上海
认证信息:商安信认证
D371X-16QB3涡轮对夹橡胶蝶阀
粉体专用阀-D371X-16QB3涡轮对夹橡胶蝶阀
价  格1万元以下
  • 品牌
    克瑞
    型号
    D371X-16QB3
  • 关注度
    792
    信息完整度
索取资料及报价
产品简介

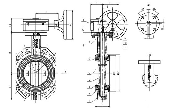
D371X涡轮对夹蝶阀产品配置:对夹连接,DI体,DI镀镍板,EPDM宽边阀座,45#镀锌有销方轴,蜗轮驱动,416销子调质,EPDM密封圈,高分子复合轴套。

阀门参数

 
执行标准名称设计及制造结构长度试压标准
参照标准GB/T 12238GB/T 12221GB/T 13927
零部件信息序号1234567891011
名称阀体阀座蝶板阀轴圆锥销轴套O型圈涡轮头六角螺栓弹簧垫片平垫
材质及说明DI[EPDM]/NBRDI/CF8/CF8M304/316304/316高分子复合材料[EPDM]/NBRHT200304304304
尺寸信息DNLD1D2L1L2L3L4BCEFGD3ISO5211 上法兰
2″DN50488692.37512959249110456744136F05
2.5″DN65521011078213659249110456744136F05
3″DN80531161229915359249110456744136F05
4″DN10058148153110167592411110456744136F07
5″DN12562174179125193592414110456744136F07
6″DN15062204208.4145209592414110456744136F07
8″DN20065252262.3170251753017172618553277F10