自力式流量调节阀
| 产品名称: | 自力式流量调节阀 | 产品型号: | V130D05,V131D05 |
| 驱动方式: | 自动 | 连接形式: | 法兰 |
| 结构形式: | 自力式 | 密封结构: | 硬密封,软密封 |
| 压力范围: | 1.6MPa-4.0MPa | 公称通径: | DN15-250 |
| 常用材质: | 碳钢,不锈钢等 | 铭牌: | 雄工品牌 |
自力式流量调节阀,V130D05,V131D05自力式流量调节阀是一种无需外加驱动能源,依靠被调介质自身的压力为动力源及其介质压力支化,按设定值进行自动调节的节能型控制装置。它集检测、控制、执行诸多功能于一阀,自成一个独立的仪表控侧系统。
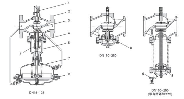
该产品由低流阻单座(套筒)阀体、压力平衡件、指挥器及执行机构组成。是符含国际标准的新一代阀门产品,
自力式流量调节阀,V130D05,V131D05自力式流量调节阀其特点有:
1、无需外加驱动能源的节能型自控系统.设备费用低;
2、结构简单.维护工作量小;
3、设定点可调且范围宽.便于用户在设定范围内连续调整流量;
4、指挥操作型较直接作用型动态响应快。精度高,可调比大;
5、阀内采用压力平衡机构,使调节阀反应灵敏、控制精确、允许压差大。
自力式流量调节阀型号
流量调节阀:V130D05(硬密封) V131D05(软密封)
调节阀用于调节工业自动化过程控制领域中的介质流量、压力、温度、液位等工艺参数。根据自动化系统中的控制信号,自动调节阀门的开度,从而实现介质流量、压力、温度和液位的调节。调节阀通常由电动执行机构或气动执行机构与阀体两部分共同组成。直行程主要有直通单座式和直通双座式两种,后者具有流通能力大、不平衡办小和操作稳定的特点,所以通常特别适用于大流量、高压降和泄漏少的场合。角行程主要有:V型电动调节球阀、电动蝶阀、通风调节阀、偏心蝶阀等。流通能力Cv值是调节阀选型的主要参数之一,调节阀的流通能力的定义为:当调节阀全开时,阀两端压差为0.1MPa,流体密度为1g/cm3时,每小时流径调节阀的流量数,称为流通能力,也称流量系数,以Cv表示,单位为t/h,液体的Cv值按下式计算。根据流通能力Cv值大小查表,就可以确定调节阀的公称通径DN。在现代化工厂的自动控制中,调节阀阀门起着十分重要的作用,这些工厂的生产取决于流动着的液体和气体的正确分配和控制。这些控制无论是能量的交换、压力的降低或者是简单的容器加料,都需要某些*终控制元件去完成。*终控制元件可以认为是自动控制的“体力”。在调节器的低能量级和执行流动流体控制所需的高能级功能之间,*终控制元件完成了必要的功率放大作用。
调节阀流量特性
调节阀阀门的流量特性,是在阀两端压差保持恒定的条件下,介质流经调节阀的相对流量与它的开度之间关系。调节阀的流量特性有线性特性,等百分比特性及抛物线特性三种。调节阀等百分比特性、调节阀线性特性、调节阀抛物线特性。
三种注量特性的意义如下:
(1)等百分比特性(对数)
等百分比特性的相对行程和相对流量不成直线关系,在行程的每一点上单位行程变化所引起的流量的变化与此点的流量成正比,流量变化的百分比是相等的。所以它的优点是流量小时,流量变化小,流量大时,则流量变化大,也就是在不同开度上,具有相同的调节精度。
(2)线性特性(线性)
线性特性的相对行程和相对流量成直线关系。单位行程的变化所引起的流量变化是不变的。流量大时,流量相对值变化小,流量小时,则流量相对值变化大。
(3)抛物线特性
流量按行程的二方成比例变化,大体具有线性和等百分比特性的中间特性。
从上述三种特性的分析可以看出,就其调节性能上讲,以等百分比特性为**,其调节稳定,调节性能好。而抛物线特性又比线性特性的调节性能好,可根据使用场合的要求不同,挑选其中任何一种流量特性。
(4)流量系数Kv
调节阀的流量系数Kv,是调节阀的重要参数,它反映调节阀通过流体的能力,也就是调节阀的容量。根据调节阀流量系数Kv的计算,就可以确定选择调节阀的口径。为了正确选择调节阀的口径,必须正确计算出调节阀的额定流量系数Kv值。调节阀额定流量系数Kv的定义是:在规定条件下,即阀的两端压差为10Pa,流体的密度为lg/cm,额定行程时流经调节阀以m/h或t/h的流量数。
联系我们
上海雄工阀门有限公司
【产品特点】
1、无需外加驱动能源的节能型自控系统.设备费用低;
2、结构简单.维护工作量小;
3、设定点可调且范围宽.便于用户在设定范围内连续调整流量;
4、指挥操作型较直接作用型动态响应快。精度高,可调比大;
5、阀内采用压力平衡机构,使调节阀反应灵敏、控制精确、允许压差大。
【技术参数】
| 公称通径DN | 15 | 20 | 25 | 32 | 40 | 50 | 65 | 80 | 100 | 125 | 150 | 200 | 250 |
| 额定流量系数Kvs | 4 | 6.3 | 8 | 16 | 20 | 32 | 50 | 80 | 125 | 160 | 280 | 320 | 400 |
| 有效压力下**流量(m3/h) | 0.02MPa | 1.5 | 2.5 | 3.5 | 5.5 | 9.0 | 14 | 22 | 36 | 55 | 70 | 125 | 180 | 250 |
| 0.05 MPa | 2.5 | 3.5 | 5.5 | 9.0 | 12 | 22 | 36 | 55 | 85 | 110 | 180 | - | - |
| 噪音衡量系数Z值 | 0.6 | 0.6 | 0.6 | 0.55 | 0.55 | 0.5 | 0.5 | 0.45 | 0.4 | 0.35 | 0.3 | 0.2 | 0.2 |
| **允许压差△P(MPa) | PN16 | 1.6 | 1.5 | 1.2 | 1.0 |
| PN40 | 2.0 |
| 公称压力MPa | 1.6;4.0 |
| 控制精度 | ±4% |
| 泄露率 | 硬密封:4x10*-4阀额定容量;软密封:≤40气泡/分钟 |
| **工作温度 ℃ | 软密封≤140 |
| 硬密封配隔离罐≤200 | 配隔离罐加长件≤200 |
| 压力平衡元件 | 波纹管 | 滚动膜片 |
| 阀体材质 | WCB,CF8,CF3 |
| 阀芯材质 | 不锈钢,软密封为不锈钢镶嵌橡胶圈 |
| **工作压力 | 4.0MPa |
| 自力式流量调节阀,V130D05,V131D05自力式流量调节阀性能指标 |
|
|
|
|
|
|
|
|
|
|
|
|
|
|
注:
1、液体>140℃、气体>80 ℃时阀倒装;
2、Z值:噪音衡量系数,该值用来衡量噪音大小,具体计算请咨询雄工阀门工程师
【执行机构技术参数】
| 有效面积(cm2) | 250 | 630 |
| 有效压力(MPa) | 0.02;0.05 |
| 允许上下膜室之间压差(MPa) | 0.4 | 0.15 |
| 材质 | 膜盖:钢板镀锌;膜片:EPDM或FKM夹纤维 |
| 控制管线、接头 | 铜管或钢管 |
| V130自力式流量调节阀执行机构参数 |
|
|
【连接尺寸】
| 公称通径 | 15 | 20 | 25 | 32 | 40 | 50 | 65 | 80 | 100 | 125 | 150 | 200 | 250 |
| L | 130 | 150 | 160 | 180 | 200 | 230 | 290 | 310 | 350 | 400 | 480 | 600 | 730 |
| B | 121 | 212 | 238 | 238 | 240 | 240 | 275 | 275 | 380 | 380 | 295 | 325 | 372 |
| R | 263 | 380 |
| H | 150 | 520 |
| V130自力式流量调节阀外形尺寸(mm) |
|
|
|
|
|
|
|
|
|
|
|
|
|
【自力式流量调节阀结构图片】