永嘉龙洋泵阀有限公司.
高级会员第8年
品牌:龙洋泵阀
型号:CWB
流量:0.72~14.4 m³/h
扬程:20~120 m
电机功率:0.75~15 KW
允许吸上高度:3.5~6 m
材质:不锈钢
叶轮直径:65~140 mm
CWB型磁力驱动旋涡泵(简称磁力旋涡泵)是将永磁联轴器的工作原理应用于离心泵的新产品,设计合理、工艺先进、具有全密封、无泄漏、低流量、高扬程、耐腐蚀的特点,其性能达到国外同类产品的**。
磁力泵以静密封取代动密封,使泵的过流部件处于完全密封状态,彻底解决了其它泵机械密封无法避免的跑、冒、滴之弊病。磁力泵选用耐腐蚀、高强度的工程塑料、刚玉陶瓷,不锈钢等作为制造材料,因此它具有良好的抗腐蚀性能,并可以使被输送介质免受污染。
CWB型磁力驱动旋涡泵结构紧凑、外形美观、体积小、噪音低、运行可靠、使用维修方便。可广泛应用于化工、制药、石油、电镀、食品、电影照相洗印、科研机构。国防工业等单位抽送酸、碱液、油类、稀有贵重液、毒液、挥发性液体,以及循环水设备配套、过滤机配套。特别是易漏、易燃、易爆液体的抽送,选用此泵则更为理想。
1、高扬程、小流量,比转数一般小于40;
2、结构简单、体积小、重量轻;
3、具有自润滑回路,提高滑动轴承使用寿命;
4、增设冷却回路,及时带走磁涡流热;
5、采用悬臂叶片,减小叶轮径向力;
6、随输送介质黏度增加,泵的效率急剧下降,因而介质黏度应不大于5×10-6M3/S。
|
1 | 进出口接管 | 8 | 止推环 |
| 2 | 泵壳 | 9 | 隔离套 | |
| 3 | 密封垫 | 10 | 内磁组件 | |
| 4 | 泵盖组件 | 11 | 外磁组件 | |
| 5 | 叶轮 | 12 | 联接架 | |
| 6 | 轴承 | 13 | 底板 | |
| 7 | 轴 | 14 | 电机 |
| 型号 | 流量(m³/h) | 扬程 (m) | 转速 (rpm) | 电机功率(kW) | 效率η(%) | 允许吸上高度(m) | 叶轮直径(mm) | 重量 (kg) |
| CWB20-20 | 0.72 | 20 | 2900 | 0.75 | 22 | 6 | 65 | 26 |
| CWB20-40 | 0.72 | 40 | 2900 | 1.1 | 18 | 6 | 90 | 32 |
| CWB20-65 | 0.72 | 65 | 2900 | 2.2 | 15 | 6 | 105 | 36 |
| CWB25-25 | 1.44 | 25 | 2900 | 1.1 | 26 | 5 | 75 | 28 |
| CWB25-40 | 1.44 | 40 | 2900 | 1.5 | 24 | 5 | 90 | 40 |
| CWB25-75 | 1.44 | 75 | 2900 | 4 | 20 | 5 | 110 | 55 |
| CWB32-30 | 2.88 | 30 | 2900 | 2.2 | 28 | 5 | 90 | 38 |
| CWB32-50 | 2.88 | 50 | 2900 | 3 | 26 | 5 | 100 | 52 |
| CWB32-75 | 2.88 | 75 | 2900 | 7.5 | 22 | 5 | 120 | 76 |
| CWB32-120 | 2.88 | 120 | 2900 | 11 | 18 | 4.5 | 140 | 95 |
| CWB40-40 | 5.4 | 40 | 2900 | 4 | 30 | 4 | 100 | 70 |
| CWB40-90 | 5.4 | 90 | 2900 | 11 | 26 | 3.5 | 130 | 105 |
| CWB50-45 | 9 | 45 | 2900 | 7.5 | 30 | 4 | 110 | 92 |
| CWB65-50 | 14.4 | 50 | 2900 | 15 | 35 | 3.5 | 120 | 158 |
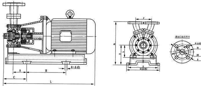
| 型号 | A | B | C | E | F | K | L | h | H | H1 | DN | D | D1 | φdl | φd2 |
| CWB20-20 | 31 | 210 | 86 | 125 | 92 | 200 | 440 | 80 | 130 | 2J70 | 20 | 90 | 65 | 13.5 | 11 |
| CWB20-40 | 43 | 210 | 58 | 140 | 102 | 200 | 458 | 80 | 130 | 284 | 20 | 90 | 65 | 13.5 | 11 |
| CWB20-65 | 48 | 260 | 108 | 140 | 110 | 200 | 486 | 90 | 153 | 313 | 20 | 105 | 75 | 13.5 | 13.5 |
| CWB25-25 | 45 | 210 | 104 | 140 | 120 | 235 | 462 | 80 | 130 | 330 | 25 | 115 | 85 | 13.5 | 13.5 |
| CWB25-40 | 49 | 260 | 110 | 140 | 120 | 235 | 488 | 90 | 153 | 353 | 25 | 115 | 85 | 13.5 | 13.5 |
| CWB25-75 | 25 | 328 | 93 | 190 | 128 | 242 | 606 | 112 | 175 | 386 | 25 | 115 | 85 | 13.5 | 13.5 |
| CWB32-30 | 52 | 260 | 118 | 140 | 150 | 290 | 522 | 90 | 153 | 368 | 32 | 140 | 100 | 13.5 | 17.5 |
| CWB32-50 | 28 | 328 | 100 | 160 | 150 | 290 | 614 | 100 | 163 | 378 | 32 | 140 | 100 | 18 | 17.5 |
| CWB32-75 | 100 | 295 | 169 | 320 | 150 | 356 | 684 | 132 | 212 | 42J7 | 32 | 140 | 100 | 18 | 17.5 |
| CWB32-120 | 96 | 486 | 173 | 380 | 160 | 416 | 878 | 160 | 240 | 468 | 32 | 140 | 100 | 18 | 17.5 |
| CWB40-40 | 30 | 328 | 104 | 190 | 160 | 310 | 618 | 112 | 175 | 443 | 40 | 150 | 110 | 13.5 | 17.5 |
| CWB40-90 | 96 | 486 | 173 | 380 | 160 | 416 | 878 | 160 | 240 | 508 | 40 | 150 | 110 | 18 | 117.5 |
| CWB50-45 | 104 | 295 | 177 | 320 | 1J70 | 356 | 692 | 132 | 212 | 462 | 50 | 165 | 125 | 18 | 17.5 |
| CWB65-50 | 82 | 486 | 159 | 380 | 190 | 416 | 878 | 160 | 240 | 520 | 65 | 185 | 145 | 18 | 1J7.5 |
邮箱:libatterychina@163.com
北京:北京市海淀区上地三街9号金隅嘉华大厦C座904
010-62980511
山东:山东省临沂市鲁商中心A8楼1单元9层
0539-8601323
锂电中国(libattery.net)版权所有
Copyright By 北京贝特互创科技有限公司
手机锂电网
