永嘉龙洋泵阀有限公司.
高级会员第8年
品牌:龙洋泵阀
型号:2BE1 102-0~2BE1 406-1
**真空度:-0.098 Mpa
转速:1300~1750 r/min
传动方式:直联、皮带
电压:380V
电动功率:7.5KW~280KW
重量:295~6920kg
2BE型水环式真空泵及压缩机,是我公司在多年科研成果和生产经验的基础上,结合国际同类产品先进技术,研制开发的高效节能产品通常用于抽吸不含固体颗粒,不溶于水,无腐蚀性的气体,以便在密闭容器中形成真空和压力。通过改变结果材料,亦可用于抽吸腐蚀气体或以腐蚀性液体做工作液。2BE型水环式真空泵广泛用于造纸、化工、石化、轻工、制药、食品、冶金、建材、石器、洗煤、选矿、化肥等行业。
2BE系列水环式真空泵型号意义
1、2BE型水环式真空泵可在环境温度5~40℃范围内和进口压强小于1330Pa的条件下,允许长期连续工作。
2、2BE型水环式真空泵不适用于抽除含氧过高、有毒的、有爆炸性的、对金属有腐蚀作用的、对泵油起化学反应的,以及含有颗粒尘埃的气体,也不适用于把气体从一个容器输送到另一个容器,作输送泵用。
3、2BE型水环式真空泵在大气压到6000Pa的进口压力下的连续工作时间不超过3分钟,以免喷油或润滑不良引起泵损坏。
1、轴承全部采用原装进口轴承,保证了2BE型水环式真空泵的叶轮精确定位及运转过程中的高稳定性。
2、叶轮材质全部采用球墨铸铁铸造或钢板焊接,充分保证了2BE型水环式真空泵叶轮在各种恶劣工况下的稳定性,且大大提高了2BE型水环式真空泵的使用寿命。
4、泵体全部采用钢板制作,提高了2BE型水环式真空泵的使用寿命。
5、2BE型水环式真空泵的轴套作为*易损坏的零件,本公司全部采用高铬不锈钢制作,比普通材质寿命提高了5倍。
6、2BE型水环式真空泵皮带轮(皮带传动)采用标准高精度锥套皮带轮,运行可靠,皮带寿命长,拆卸方便。
7、2BE型水环式真空泵联轴器(直联传动)采用标准高强度弹性联轴器,弹性元件采用聚氨酯材质,运行稳定可靠,使用寿命长。
8、独特的上置式气水分离器节约空间,并有效降低了2BE型水环式真空泵噪声。
9、铸件全部采用树脂砂铸造,表面质量好。铸件表面无需打腻,使2BE型水环式真空泵散热效果**。
10、机械密封(选配件)全部采用进口件,充分保证2BE型水环式真空泵在长时间运行过程中无泄漏。
11、2BE型水环式真空泵泵体内壁型线采用近似椭圆的型线以保证**的抽气效果。
2BE系列水环式真空泵结构示意图
| 型号 |
转速 (传动方式) r/min |
轴功率 kW |
电机功率 kW |
配用电机 380V |
极限真空度 mbar |
**抽气速率 |
泵重 整机 kg |
|
| m3/h | m3/min | |||||||
| 2BE1 102-0 |
1450(直联) 1300(皮带) 1625(皮带) 1750(皮带) |
5.8 5.0 6.8 8.0 |
7.5 7.5 7.5 11 |
Y132M-4 Y132M-4 Y132M-4 Y160M-4 |
33mbar (-0.098MPa) |
235 210 270 290 |
3.9 3.5 4.5 4.8 |
311 295 311 346 |
| 2BE1 103-0 |
1450(直联) 1300(皮带) 1625(皮带) 1750(皮带) |
8.2 7.0 9.9 11.1 |
11 11 15 15 |
Y160M-4 Y160M-4 Y160L-4 Y160L-4 |
33mbar (-0.098MPa) |
340 300 385 412 |
5.7 5.0 6.4 6.9 |
363 347 388 388 |
| 2BE1 151-0 |
1450(直联) 1100(皮带) 1300(皮带) 1625(皮带) 1750(皮带) |
10.8 7.2 9.2 13.2 14.8 |
15 11 11 15 18.5 |
Y160L-4 Y160M-4 Y160M-4 Y160L-4 Y180M-4 |
33mbar (-0.098MPa) |
405 300 360 445 470 |
6.8 5.0 6.0 7.4 7.8 |
469 428 444 469 503 |
| 2BE1 152-0 |
1450(直联) 1100(皮带) 1300(皮带) 1625(皮带) 1750(皮带) |
12.5 8.3 10.5 15.0 17.2 |
15 11 15 18.5 22 |
Y160L-4 Y160M-4 Y160L-4 Y180M-4 Y180L-4 |
33mbar (-0.098MPa) |
465 340 415 510 535 |
7.8 5.7 6.9 8.5 8.9 |
481 437 481 515 533 |
| 2BE1 153-0 |
1450(直联) 1100(皮带) 1300(皮带) 1625(皮带) 1750(皮带) |
16.3 10.6 13.6 19.6 22.3 |
18.5 15 18.5 22 30 |
Y180M-4 Y160L-4 Y180M-4 Y180L-4 Y200L-4 |
33mbar (-0.098MPa) |
600 445 540 660 700 |
10.0 7.4 9.0 11.0 11.7 |
533 480 533 551 601 |
| 2BE1 202-0 |
970(直联) 790(皮带) 880(皮带) 1100(皮带) 1170(皮带) 1300(皮带) |
17 14 16 22 25 30 |
22 18.5 18.5 30 30 37 |
Y200L2-6 Y180M-4 Y180M-4 Y200L-4 Y200L-4 Y225S-4 |
33mbar (-0.098MPa) |
760 590 670 850 890 950 |
12.7 9.8 11.2 14.2 14.8 15.8 |
875 850 850 940 945 995 |
| 2BE1 203-0 |
970(直联) 790(皮带) 880(皮带) 1100(皮带) 1170(皮带) 1300(皮带) |
27 20 23 33 37 45 |
37 30 30 45 45 55 |
Y250M-6 Y200L-4 Y200L-4 Y225M-4 Y225M-4 Y250M-4 |
33mbar (-0.098MPa) |
1120 880 1000 1270 1320 1400 |
18.7 14.7 16.7 21.2 22.0 23.3 |
1065 995 995 1080 1085 1170 |
| 2BE1 252-0 |
740(直联) 558(皮带) 660(皮带) 832(皮带) 885(皮带) 938(皮带) |
38 26 31.8 49 54 60 |
45 30 37 55 75 75 |
Y280M-8 Y200L-4 Y225S-4 Y250M-4 Y280S-4 Y280S-4 |
33mbar (-0.098MPa) |
1700 1200 1500 1850 2000 2100 |
28.3 20.0 25.0 30.8 33.3 35.0 |
1693 1460 1515 1645 1805 1805 |
| 2BE1 253-0 |
740(直联) 560(皮带) 660(皮带) 740(皮带) 792(皮带) 833(皮带) 885(皮带) 938(皮带) |
54 37 45 54 60 68 77 86 |
75 45 55 75 75 90 90 110 |
Y315M-8 Y225M-4 Y250M-4 Y280S-4 Y280S-4 Y280M-4 Y280M-4 Y315S-4 |
33mbar (-0.098MPa) |
2450 1750 2140 2450 2560 2700 2870 3020 |
40.8 29.2 35.7 40.8 42.7 45.0 47.8 50.3 |
2215 1695 1785 1945 1945 2055 2060 2295 |
| 2BE1 303-0 |
740(直联) 590(直联) 466(皮带) 521(皮带) 583(皮带) 657(皮带) 743(皮带) |
98 65 48 54 64 78 99 |
110 75 55 75 75 90 132 |
Y315L2-8 Y315L2-10 Y250M-4 Y280S-4 Y280S-4 Y280M-4 Y315M-4 |
33mbar (-0.098MPa) |
4000 3200 2500 2800 3100 3580 4000 |
66.7 53.3 41.7 46.7 51.7 59.7 66.7 |
3200 3200 2645 2805 2810 2925 3290 |
|
2BE1 305-1 2BE1 306-1 |
740(直联) 590(直联) 490(皮带) 521(皮带) 583(皮带) 657(皮带) 743(皮带) |
102 70 55 59 68 84 103 |
132 90 75 75 90 110 132 |
Y355M1-8 Y355M1-10 Y280S-4 Y280S-4 Y280M-4 Y315S-4 Y315M-4 |
160mbar (-0.085MPa) |
4650 3750 3150 3320 3700 4130 4650 |
77.5 62.5 52.5 55.3 61.2 68.8 77.5 |
3800 3800 2950 3000 3100 3300 3450 |
| 2BE1 353-0 |
590(直联) 390(皮带) 415(皮带) 464(皮带) 520(皮带) 585(皮带) 620(皮带) 660(皮带) |
121 65 70 81 97 121 133 152 |
160 75 90 110 132 160 160 185 |
Y355L2-10 Y280S-4 Y280M-4 Y315S-4 Y315M-4 Y315L1-4 Y315L1-4 Y315L2-4 |
33mbar (-0.098MPa) |
5300 3580 3700 4100 4620 5200 5500 5850 |
88.3 59.7 61.7 68.3 77.0 86.7 91.7 97.5 |
4750 3560 3665 3905 4040 4100 4100 4240 |
|
2BE1 355-1 2BE1 356-1 |
590(直联) 390(皮带) 435(皮带) 464(皮带) 520(皮带) 555(皮带) 585(皮带) 620(皮带) |
130 75 86 90 102 115 130 145 |
160 90 110 110 132 132 160 185 |
Y355L2-10 Y280M-4 Y315S-4 Y315S-4 Y315M-4 Y315M-4 Y315L1-4 Y315L2-4 |
160mbar (-0.085MPa) |
6200 4180 4600 4850 5450 5800 6100 6350 |
103.3 69.7 76.7 80.8 90.8 98.3 101.7 105.8 |
5000 3920 4150 4160 4290 4300 4350 4450 |
| 2BE1 403-0 |
330(皮带) 372(皮带) 420(皮带) 472(皮带) 530(皮带) 565(皮带) |
97 110 131 160 203 234 |
132 132 160 200 250 280 |
Y315M-4 Y315M-4 Y315L1-4 Y315L2-4 Y355M2-4 Y355L1-4 |
33mbar (-0.098MPa) |
5160 5700 6470 7380 8100 8600 |
86.0 95.0 107.8 123.0 135.0 143.3 |
5860 5870 5950 6190 6630 6800 |
|
2BE1 405-1 2BE1 406-1 |
330(皮带) 372(皮带) 420(皮带) 472(皮带) 530(皮带) 565(皮带) |
100 118 140 170 206 235 |
132 160 185 200 250 280 |
Y315M-4 Y315L1-4 Y315L2-4 Y315L2-4 Y355M2-4 Y355L1-4 |
160mbar (-0.085MPa) |
6000 6700 7500 8350 9450 10100 |
100.0 111.7 125.0 139.2 157.5 168.3 |
5980 6070 6200 6310 6750 6920 |
注:以上所选电机功率可在大多工况下工作。如排气口压力较高(0.02~0.05MPa),则应相应加大电机功率;如2BE1真空泵正常工作时轴功率较小,也可选用接近轴功率的电机功率,如此更为节能。
注:水环真空泵的水温对其性能影响较大,而水环真空泵的性能曲线均为在15℃的水温条件下测得,因此在实际选用水环真空泵时应对水环真空泵的抽气速率进行修正。修正方法请参照:水温对水环真空泵性能的影响。
注:以上所选电机功率可在大多工况下工作。如排气口压力较高(0.02~0.05MPa),则应相应加大电机功率;如2BE1真空泵正工作时轴功率较小,也可选用接近轴功率的电机功率,如此更为节能。
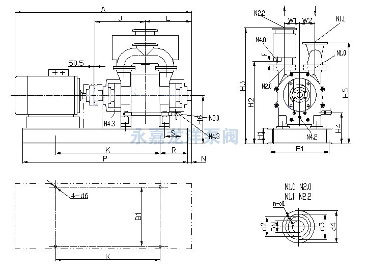
2BE1 102/103/151/152/153直联水环式真空泵传动安装尺寸图
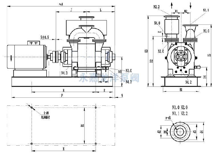
2BE1 202/203/252/253直联传动水环式真空泵安装尺寸图
2BE1 202/203/252/253皮带传动水环式真空泵安装尺寸图
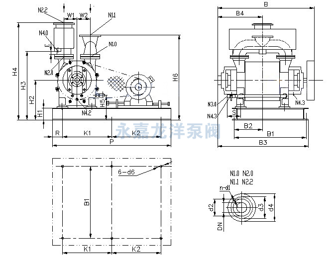
2BE1 303/305/306/353/355/356直联传动水环式真空泵安装尺寸图
2BE1 303/305/306/353/355/356皮带传动水环式真空泵安装尺寸图
2BE1 403/405/406皮带传动水环式真空泵安装尺寸图
邮箱:libatterychina@163.com
北京:北京市海淀区上地三街9号金隅嘉华大厦C座904
010-62980511
山东:山东省临沂市鲁商中心A8楼1单元9层
0539-8601323
锂电中国(libattery.net)版权所有
Copyright By 北京贝特互创科技有限公司
手机锂电网
