永嘉龙洋泵阀有限公司.
高级会员第8年
品牌:龙洋泵阀
型号:SK-1.5~SK-120
转速:490~1460 r/min
极限压力:-0.091~-0.093 MPa
抽气速率:1.5~120m³/min
电动功率:3~185KW
压缩机压力:0~0.1MPa
SK型水环真空泵气体抽吸和压送系统的区别仅在于气水分离器的内部构造有所不同。抽吸气体时,吸气口压力低于大气压,而排气口压力等于大气压,气水分离器只有溢水管。压送气体时,吸气口为常压(也可为真空状态),排气口压力高于一个大气压;为保证输送气体压力,气水分离器的水位通过溢水开关来控制。
SK系列水环式真空泵及压缩机是用来抽吸或压送气体和其它无腐蚀性、不溶于水、不含有固体颗粒的气体,以便在密闭容器中形成真空或压力,从而满足具体工艺流程要求的设备。吸入或压送的气体中允许含有少量液体。 SK系列水环式真空泵及压缩机广泛应用于机械、石油、化工、制药、食品、陶瓷、制糖、印染、冶金、环保及电子等行业。
1、结构紧凑、维修方便;
2、应用范围广泛,可抽除含水蒸汽、易燃、易爆、含少量灰尘的、含少量液体的各种气体;
3、主要用水作为工作介质,维护费用低;
4、可以在较为恶劣的环境下工作。
SK-1.5/3水环式真空泵结构图
SK-6/12/20/30/42/60/85/120水环式真空泵结构图
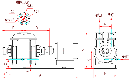
以上泵的结构图所示:泵由泵体、两个端盖、叶轮、轴等部件组成。进气管和排气管通过安装在端盖上的圆盘上的吸气孔和排气孔与泵腔相连,轴偏心地安装在泵体中,叶轮用平键固定在轴上。泵两端面的总间隙由泵体和圆盘之间的垫来调整,叶轮与端盖上的圆盘之间的间隙由轴套(SK-1.5/3/6)或背帽(SK-12/20/30)推动叶轮来调整,而SK-42以上轴与叶轮为过盈配合,此间隙由前端定位时确定,SK-42/60/85/120无轴套,其余结构与SK-6/12/20/30相同。叶轮两端与端盖圆盘的间隙决定气体在泵腔内由进气口至排气口流动中损失的大小及其极限压力。 填料安装在两端盖内,密封水经由端盖中的小孔进入填料中,冷却填料及加强密封效果。叶轮形成水环所需的补充水由供水管供给,供水管可与汽水分离器连在一起循环供水。密封形式采用机械密封,机械密封安装在填料空腔里,填料省略。填料压盖换成机械密封压盖,其余结构相同。 轴承由圆螺母固定在轴上。在端盖上安装有圆盘,圆盘上设有吸、排气孔和橡胶球阀。橡胶球阀的作用是当叶轮叶片间气体压力达到排气压力时,在排气口以前就将气体排出,减少了因气体压力过大而消耗的功率,从而降低功率消耗。
如上工作原理图所示,SK水环真空泵叶轮3偏心地安装在泵体2内,因此当叶轮3旋转时,水受离心力的作用而在泵体内壁形成一旋转水环5,水环上部内表面与轮毂相切沿箭头方向旋转,在前半转过程中,水环内表面逐渐与轮毂脱离,因此在叶轮叶片问与水环形成封闭空间,随着叶轮的旋转,该空间逐渐扩大,空间气体压力降低,气体被吸入空间;在后半转过程中,水环内表面渐渐与轮毂靠近,叶片间的空间逐渐缩小,空间气体压力升高,高于排气口压力时,叶片间的气体被排出。如此叶轮每转动一周,叶片间的空间吸排一次,许多空间不停地工作,泵就连续不断地抽吸或压送气体。
由于在工作过程中,做功产生热量,会使工作水环发热,同时一部分水和气体一起被排走,因此,在工作过程中,必须不断地给泵供水,以冷却和补充泵内消耗的水,满足泵的工作要求。当泵排出的气体不再利用时,在泵排气一端接有气水分离器(可自己制作一水箱代替),废水和所带的部分水排入气水分离器后,气水分离,气体由排气管排出,留下的水经回水管供至泵内继续使用。随着工作时间的延长,工作水温度会不断地升高,这时需从气水分离器的供水处供给一定的冷水(自来水),以降低工作水的温度,保证泵能达到所要求的技术要求和性能指标。
当作为压缩机使用时,泵排气口接有气水分离器,气水混合物进入气水分离器后自动分离,气体由排气管输送到所需系统而工作水经过自动溢于开关放出,压缩气体时,工作水极易发热,水由泵出口排出,温度会变得较高,因此在气水分离器的底部,要不断地供给冷水,以补充被放走的热水,同时起冷却作用,使工作水温度不致过高,从而保证压缩机性能,达到技术指标,满足工艺要求。
| 型号 | 抽气量(m3/min) | 真空泵极限压力 | 电机功率(kw) |
泵转速 (r/min) |
压缩机压力 (MPa) |
口径(mm) | ||||
| **Maximum |
吸入压力为 -0.041MPa(-450mmHg) |
mmHg | MPa | 真空泵 | 压缩机 | 进 | 出 | |||
| SK-1.5 | 1.5 | 1.35 | -680 | -0.091 | 3 | 4 | 1440 | 0~0.1 | 70 | 70 |
| SK-3 | 3 | 2.8 | -700 | -0.093 | 5.5 | 7.5 | 1440 | 0~0.1 | 70 | 70 |
| SK-6 | 6 | 5.4 | -700 | -0.093 | 11 | 15 | 1460 | 0~0.1 | 80 | 80 |
| SK-12 | 12 | 10.8 | -700 | -0.093 | 18.5 | 30 | 970/980 | 0~0.1 | 80 | 80 |
| SK-20 | 20 | 18 | -700 | -0.093 | 37 | 55 | 740 | 0~0.1 | 150 | 150 |
| SK-30 | 30 | 27 | -700 | -0.093 | 55 | 75 | 740 | 0~0.1 | 150 | 150 |
| SK-42 | 42 | 37.8 | -700 | -0.093 | 75 | - | 740 | - | 150 | 150 |
| SK-60 | 60 | 54 | -700 | -0.093 | 90 | - | 590 | - | 250 | 250 |
| SK-85 | 85 | 76.5 | -700 | -0.093 | 132 | - | 590 | - | 250 | 250 |
| SK-120 | 120 | 108 | -700 | -0.093 | 185 | - | 490 | - | 300 | 250 |
1、真空度从40%到90%或压力从0.05MPa到0.15MPa的吸排气量随着供水量的大小 ,叶轮与侧盖的间隙大小而变化,叶轮与侧盖的间隙大小而变化,特别是流量较小时,如果调整不准确更容易引起偏小
2、表内数值是在下列条件下得出:①水温15℃; ②空气20℃; ③气体相对温度70%;④大气压力0.1013MPa
3、表内性能偏差不超过5%
| 代号 | A | C | D | F | G | H | J | K | N | P |
| SK-6 | 1432 | 370 | 457 | 190 | 800 | 1165 | 420 | 380 | 210 | 330 |
| SK-12 | 1761 | 448 | 538 | 270 | 940 | 1420 | 530 | 480 | 280 | 440 |
| SK-20 | 2100 | 491 | 609 | 310 | 1132 | 1710 | 650 | 600 | 350 | 680 |
| SK-30 | 2500 | 556 | 674 | 350 | 1270 | 1910 | 650 | 600 | 350 | 680 |
| SK-42 | 2720 | 630 | 750 | 400 | 1445 | 2120 | 650 | 600 | 350 | 680 |
| 型号 | R | S | X | Z | d1 | d2 | d3 | d4 | d5 | n |
| SK-6 | 610 | 315 | 183 | G1/2" | 80 | 130 | 14 | 160 | 18 | 4 |
| SK-12 | 780 | 395 | 203 | G1/2" | 80 | 150 | 14 | 180 | 18 | 4 |
| SK-20 | 1050 | 525 | 260 | G3/4" | 150 | 200 | 18 | 235 | 27 | 6 |
| SK-30 | 1050 | 525 | 260 | G3/4" | 150 | 200 | 18 | 235 | 27 | 6 |
| SK-42 | 1050 | 525 | 260 | G3/4" | 150 | 200 | 18 | 235 | 27 | 6 |
| 型号 | A | B | C | D | E | F | G | H | I | J | K | Z1 | Z2 | n | d1 | d, 2 | d3 | d4 |
| SK-6 | 740 | 320 | 250 | 500 | 60 | 80 | 220 | 870 | 1030 | 140 | 500 | 11/2" | G1/2" | 4 | 160 | 130 | 65 | 14 |
| SK-12 | 910 | 400 | 250 | 650 | 60 | 80 | 260 | 1080 | 1230 | 140 | 500 | 11/2" | G1/2" | 4 | 185 | 150 | 80 | 18 |
| SK-20/30 | 1070 | 610 | 250 | 650 | 60 | 80 | 260 | 1130 | 1408 | 140 | 500 | 11/2" | G3/4" | 8 | 235 | 200 | 125 | 18 |
1、启动:
长期停车的泵在开动以前,必用手转动数周,以证实泵内没有卡信或其它损坏现象。启动按以下顺序进行(参见设备说明图)。
1) 关闭进气管路上的闸阀4;
2) 启动电动机(从传动方向看,电机为顺时针方向旋转,右侧为吸气口,左侧为排气口)。泵为机械密封,应先给机械密封加水再起动电动机;
3) 打开供水管上的阀门6〖或直接用自来水向泵内供水扒逐渐增加供水量,至供水量符合规定要求为止;
4) 当泵达极限真空或**压力时,打开进气管路上的间阀2,泵开始正常工作;
5) 调整填料压盖,使水成滴往外滴为好;
6) 由阀门来调整气水分离器向泵供水量,以便在要求的技术条件下运转,使功率消耗*小,达到性能指标,满足工作要求;
7) 调整供水管供给气水分离器的水量,以便用*小的水耗量,保证泵内所要求的技术规范;
8) 泵在极限压力下工作时,泵内可能由于物理作用而发生爆炸声,但功率消耗并不增大,可将进气管路上的阀门打开,使之进入少量气体,爆炸声即行消失。如果爆炸声不消失,且功率消耗增大,则表明泵已发生故障,应停车检修。
2.停车:
1) 关闭进气管上的阀门(做压缩用时应先关闭排气管上的阀门,然后关闭吸气阀);
2) 关闭供水管路上的闸阀,停水后,不应立即停泵,应使泵继续运转1-2分钟,排出部分工作液。泵为机械密封,机械密封的冷却水不能关闭;
3) 关闭电动机,再关闭机械密封冷却水;
4)如果停车时间超过一天,必须将泵及气水分离器内的水放掉,以防锈蚀。
1、经常检査轴承的工作和润滑情况。
2、正常工作的轴承比周围温度高15℃-20℃,**不允许超过55℃-60℃:,正常工作的轴承每年应装油3-4次。每年至少清洗轴承一次,并将润滑油牵部更换。
3、如果是填料密封,应定期地压紧填料,如果填料因磨损而不能保证所需要的密封性能时,应更换新填料。填料不能压得过紧。正常压紧的填料,允许水成滴滴出,以保证冷却和加强密封性。
4、如果采用机械密封,出现泄漏现象,应检查机械密封的动、静环是否已损坏,或是密封圈已老化,如出现上述情况,均需更换新零件。
邮箱:libatterychina@163.com
北京:北京市海淀区上地三街9号金隅嘉华大厦C座904
010-62980511
山东:山东省临沂市鲁商中心A8楼1单元9层
0539-8601323
锂电中国(libattery.net)版权所有
Copyright By 北京贝特互创科技有限公司
手机锂电网
