永嘉龙洋泵阀有限公司.
高级会员第8年
品牌:龙洋泵阀
型号:W
转速:200~530 r/min
极限真空:1.3~2.6 KPa
抽气速率:100L/S 150L/S
电动功率:5.5-22KW
重量:400~1520 kg(不含电机)
W往复式真空泵,是获得粗真空的基本真空设备之一,是广大企业比较熟悉和广泛使用的一种真空设备,是通过活塞的往复式运动在气缸内不断使气体膨胀和压缩,并通过进排气阀片完成吸排气工作从而获得真空。
W型往复式真空泵是获得粗真空的主要真空设备之一。广泛应用于化工,食品,建材等部门,特别是在真空结晶,干燥,过滤,蒸发等工艺过程中更为适宜。例如化工或食品工业中的真空蒸馏、蒸发、结晶、干燥和过滤,真空冶金工业中的除气,电气工业上的浸渗等。
1、气阀是固定的实行自动配气,运动部件少,因而操作简单。
2、机械传动部件也抽气部分分隔在两个腔体内,保证机械传动部分不致受被抽气体的污染,保持良好的润滑状态,因而特别适合化学工业的各种应用。
3、属于*传统的真空泵,*为人所知,因而使用、维护起来比较方便。
4、往复式真空泵对于抽除腐蚀性或含有颗粒状灰尘的气体是不适用。
W往复式真空泵已被广泛的应用于各工业部门中。例如化工或食品工业中的真空蒸馏,蒸发、结晶、干燥和过滤,真空冶金工业中的除气、电气工业上的侵渗等。
| 型号\参数\项目 |
W-50 (W3) |
W-70 | W4-1 |
W100 (W4) |
W-150 | W5-1 |
WY-50 (W3) |
WY-100 (W4) |
WY-200 (W5) |
|
| 抽气速率L/S | 50 | 70 | 100 | 100 | 150 | 200 | 50 | 100 | 200 | |
| 极限真空KPa(torr) | 1.3(10) | 2.6(20) | 2.6(20) | 1.3(10) | 2.6(20) | 2.6(20) | 1.3(10) | 1.3(10) | 1.3(10) | |
| 转速r/min | 300 | 364 | 530 | 200 | 300 | 530 | 300 | 200 | 200 | |
| 配用电动机型号 | Y132S-4 | Y160M-6 | Y160M-4 | Y160L-6 | Y180L-6 | Y200L-6 | Y132S-4 | Y160L-6 | Y200L3-6 | |
| 功率(KW) | 5.5 | 7.5 | 11 | 11 | 15 | 22 | 5.5 | 11 | 22 | |
| 进出口管直径 | 50 | 80 | 80 | 80 | 125 | 125 | 50 | 80 | 125 | |
| 进出口水管直径 | 1/2 | 1/2 | 1/2 | 3/4 | 3/4 | 3/4 | 1/2 | 3/4 | 3/4 | |
| 气径直径×径程mm | 250×150 | 250×150 | 250×150 | 350×200 | 350×200 | 350×200 | 250×150 | 350×200 | 455×250 | |
|
外形尺寸 (mm) |
长 | 1411 | 1490 | 1490 | 1780 | 1927 | 1812 | 1411 | 1780 | 2335 |
| 宽 | 625 | 508 | 508 | 767 | 633 | 659 | 625 | 767 | 1010 | |
| 高 | 640 | 542 | 542 | 891 | 772 | 542 | 640 | 891 | 1162 | |
|
重量(Kg) 不含电机 |
400 | 440 | 440 | 760 | 800 | 760 | 420 | 790 | 1520 | |

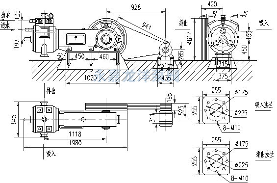
W3往复式真空泵安装尺寸图
WY-50(V5)、WY-100(W4)、WY-200(W5)往复式真空泵安装尺寸图
W4-1、W5-1往复式真空泵安装尺寸图
W300往复式真空泵安装尺寸图
1.安装:
真空泵除带轮需要重新装上外,是整体发送,因此在启动前可以不必在拆装,但在安装中不准灰砂等杂物进入泵内,进排气口的盲盖只许在接管时拆去。
(1)甩水平仪把泵进行水平。
(2)随机供应的底基螺栓按上后旋紧,但必须注意在紧螺母腮红不得使机身因过分旋紧螺母而被扭曲或变形,曲轴可以和未紧螺母前一样在轴承中转动。
(3)进气管路须装三通阀,使泵在需要时和大气直接相同通或被抽容器相同。
(4)在接管前管路必须用锤敲击或注入酸液仔细地清除铁锈、金属小屑片、电焊小珠和其他杂质。
(5)在开始使用时进气管路中要装置细网过滤气,其孔眼大小大于0.5毫米,以防止杂物进如泵内。
(6)泵在下列条件使用时,必须加装附属设备:
2.开车前的准备工作:
1.检查气管路上的法兰、街头和阀门,并确定他们没有漏气。
2.清洁真空泵,在机体内不许有杂质或其他任何赃物。
3.在机体内加入清洁的润滑油,直到油窗上指使的刻度。
4.油杯内加入清洁润滑油并微微开启它们的针阀,使润滑油一滴一滴的注入气缸中。
5.开启冷却水阀门。
6.开启三通阀门并使泵和大气畅通。
7.旋下气缸下部的放油丝堵
8.用人力转动泵三角轮几转,如无故障放可启动。
3.运转
1.推动电机开关、启动真空泵,泵的转动方向,从带轮一面看是顺时针方向。
2.拧上放油丝堵,转动三通阀门,使泵的吸入口通向被抽容器。
3.运转时电流表上的读数应呈稳定现象。如果发现电流上升,必须立即停车找出原因进行修理或调整。
4.运转中应无冲击声,否则立即停车,找出原因,进行修理或调整。
5.各运动部位必须润滑正常,针阀油杯中的油必须保持油杯高度是2/3.
如果吸入的气体润滑油有分解或对金属有腐蚀作用,则润滑油必须增加。
如果增加润滑油还不能有效地避免气体的分解作用,则与润滑油供应单位联系采用适宜的工作条件的润滑油。
6.下列零件的**允许温升为:气 室 90℃ 轴 承 40℃
7、冷却水进出口温差为5℃,它的**出水温度不超过40℃。
4.停车:
1.关闭进气阀门停车。
2.关闭油杯的针形阀,旋下放油丝堵,真空泵并在停车10分钟后关闭冷却水进口阀。
3.在严寒季节水套内的冷却水必须放进。以免在静止时结冰,冻裂气缸。
5.日常维护保养:
(1)每日检查机体内和油杯内的油面,如需加油即行补足。用过的油在经过仔细过滤后,以1:1比例和新油混合后在可使用,但不允许在加到油杯中去。
(2)经常检查进水阀和进气阀,如发现泄漏即行修理。
(3)经常检查三角胶带的松紧,如果有过紧过松即行调整。
(4)经常对轴承、十字头等部位进行检查,如有过热现象进行检修。
(5)经常检查活塞杆填料、如遇太松或损坏,则应换新填料。
(6)在运转100~1500小时以后更换机体中的润滑油,但它使用**次使用经100~120小时运转后,机体中的润滑油即须更新。
(7)在运转1000~1500小时运转以后,须检查真空泵的各摩擦部位,如气缸内壁对活塞或活塞环,十字头对滑倒,轴承等,如果发现有磨损不平应即予修整。
(8)在经过1000~1500小时运转以后,检查并清洁气缸和气阀的气槽通路。如果抽是气体和润滑油化合而成的黏糊状物质,或者其他赃物阻塞通道,这些通道必须安条件需要,在短期内进行检查和清洁。
(9)真空泵在经过约2500小时运转以后应进行大修,所有零部件必须进行拆洗并从新装配在修理后活塞的位置必须进行调整,活塞在上下死点时,应对气缸盖和气缸颈端面个保持约1.5毫米的间隙。
(10)经常检查活塞、连杆、曲轴、十字头螺母是否松动。
注:1.本真空泵产品随技术改进等原因,不经预告可变更。
2.本长产品在保修期内,不经厂家允许,不得随意拆卸。
邮箱:libatterychina@163.com
北京:北京市海淀区上地三街9号金隅嘉华大厦C座904
010-62980511
山东:山东省临沂市鲁商中心A8楼1单元9层
0539-8601323
锂电中国(libattery.net)版权所有
Copyright By 北京贝特互创科技有限公司
手机锂电网
