产业链

您当前的位置:

中国永嘉工奥阀门有限公司>W100D定水位阀

中国永嘉工奥阀门有限公司

高级会员第8年
所在地区:浙江
认证信息:商安信认证
W100D定水位阀
流量控制阀-W100D定水位阀
价  格1-5万元
  • 品牌
    工奥阀门
    型号
    W100D
  • 产地
    浙江永嘉
    关注度
    428
  • 信息完整度
索取资料及报价
产品简介

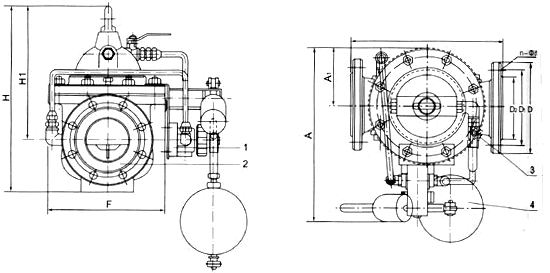
 W100D定水位阀是由主阀、浮球导阀、浮球等组成。此阀又浮球控制,在阀门关闭是自动控制水泵停机;水位降低后重新启动水泵,自动打开该阀,有效防止停水泵水锤的产生,避免管道产生过高压力。适用于工矿、企业、高层建筑中的水箱、水池、水塔的自动空水系统。定水位阀浮球动作迅速,液位控制准确度高,灵活耐用,安装方便,产品结构设计合理,产品使用寿命长,水位不受水压干扰且关闭紧密不漏水。

一、W100D定水位阀主要零部件介绍:

零件名称

材质

阀体、阀盖

铸铁、铸钢、不锈钢

阀座

锡青铜、不锈钢

阀瓣

碳钢、不锈钢+丁腈橡胶

阀杆

铝青铜、铬不锈钢

膜片

丁腈橡胶

膜片压板

碳钢、不锈钢

弹簧

不锈钢

二、W100D定水位阀技术参数:

公称压力

1.0MPa

1.6MPa

2.5MPa

壳体试验压力

1.5MPa

2.4MPa

3.75MPa

密封试验压力

1.1MPa

1.76MPa

2.75MPa

适用温度

≤80℃

*低动作压力

P1≥0.07MPa

适用介质

三、W100D定水位阀主要外形连接尺寸: