高频振动筛简介:
高频振动筛采用高频振动电机,使用单网双箍结构网架,主要用于流动性差的液体过滤工艺如陶瓷釉料过滤使用,分为加缘式、蝶形、敞口式进料口设计。要求技术性强,不是哪个振动筛厂都能做的高频、高效振动筛分过滤机。

适用行业:
高频振动筛适用于食品工业、化工行业、医药行业、磨料陶瓷、冶金工业的任何粉、粒、粘液的筛分过滤。
工作特点:
体积小、重量轻、安装移动方便、高度可自由调节。
筛分精度高、效率高、任何粉、粒、粘液类皆可适用。
震动频率高、达3000次/分,对细粒度、高粘度物料过筛效果更明显。
独特筛网结构,装网方便快捷。
除震动电机外全部采用不锈钢制作,外形美观大方。

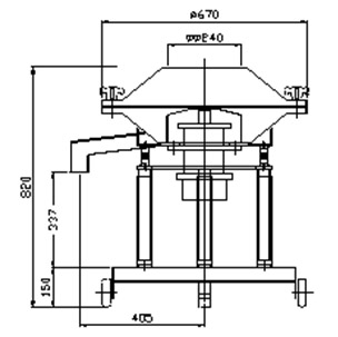
标准机型尺寸对照表:
机种 | 马力 motor HP | 电压 voltage (V) | 频率 frequency (HZ) | 转速 speed | 筛面有效直径 effective diameter of the screen | 处理能力 (kg/hr) Capacity | 净重 (kg) Net weight |
YZG-600 | 3/4 | 380/415 | 50/60 | 2990 | 580 | 600~800 | 60 |

运转前检查:
检查你所订购的型式和规格是否相符?
是否在运行过程中受到污损、碰伤?
所装配电源是否与铬牌标识一致,注:电压误差不得超过±5%。
各紧固部分有否松动?接地线必须安装牢固。
使用注意事项:
电源开关(不可使用闸刀开关)及接地线应保证接触良好,严禁电机缺相运行,否则会造成电机烧损。
本机应放置在与四周*小保持500mm距离的地方,以免发生碰撞。
细网更换方式:
*松开六颗塑料胶头螺母、取下上层料斗及网环。
*细网应水平向上放置于网环上。
*将圆条束紧器由上向往下压入底部环形槽并锁紧。
*重复以上步骤将束紧器压入上部环形槽并锁紧。
*用剪刀剪去多余筛网
保养:
不使用时要切断电源。
清洗时严禁用水冲洗电机、以防漏电。
要保持筛网的清洁、才能得到**的过滤效果,清洗筛网时、可不用停机,根据过滤物质的不同、采用相应清洗剂,如泥浆可用水冲洗,同时筛网严禁用尖硬物体碰撞。
使用中若发生异常声音,请立即停机检查。
高频振动筛厂家友情提示:请通过正规渠道购买奥创高频振动筛,以保障您的合法权益!
优质高频振动筛请选河南奥创机械:;
24小时服务热线:杜经理 13462******