雾化铁粉振动筛分机概述:
雾化铁粉振动筛分机主要用于对铁粉的筛选分级,雾化铁粉振动筛适合于粉末冶金的原料过滤与筛分,对铁粉来说,从粒度上来分,习惯上分为粗粉、中等粉、细粉、微细粉和超细粉五个等级,一般采用80目、120目、200目过滤。粒度为150~500μ范围内的颗粒组成的铁粉为粗粉,粒度在44~150μm为中等粉,10~44μm的为细粉,0.5~10μm的为极细粉,小于0.5μm的为超细粉。一般将能通过325目标准筛即粒度小于44μm的粉末称为亚筛粉。振动筛是对铁粉进行的是粗级筛分,建议选择ZN旋振筛(也称三次元振动筛),进行高精度分级则可以使气流分级机

工作原理:
旋振筛的基本原理是利用电机轴上下安装的重锤(不平衡重锤),将电机的旋转运动转变为水平、垂直、倾斜的三次元运动,再把这个运动传递给筛面,使物料在筛面上做外扩渐开线运动,故该系列振动筛称之为旋振筛。调节上、下两端的相位角,可以改变物料在筛面上的运动轨迹。

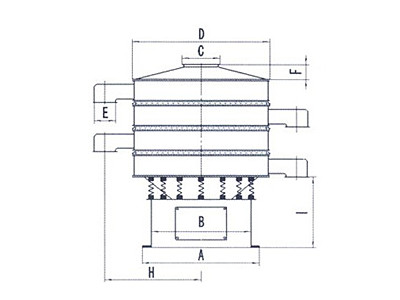
外形尺寸:


型号 | XZS-400 | XZS-600 | XZS-800 | XZS-1000 | XZS-1200 | XZS-1500 | XZS-1800 | XZS-2000 |
有效筛面直径mm | φ340 | φ540 | φ730 | φ900 | φ1100 | φ1400 | φ1700 | φ1886 |
有效筛分面积 | 0.0907 | 0.2281 | 0.4183 | 0.6359 | 0.9499 | 1.5386 | 2.2687 | 2.7922 |
筛网规格 | 100-500目 |
层数 | 1-5 | 1-5 | 1-5 | 1-5 | 1-5 | 1-5 | 1-3 | 1-3 |
功率KW | 振动电机 | 0.18 | 0.55 | 0.75 | 1.1 | 1.5 | 2.2 | 3 | 3.7 |
普通电机 | ~ | 0.75 | 1.1 | 1.5 | 1.5 | 2.2 | 2.2 | 3 |
技术参数:
型号 | A | B | C | D | E | F | H | I | 单层高度 | 双层高度 | 三层高度 |
XZS-400 | 330 | 305 | 240 | 400 | 80 | 70 | 320 | 390 | 635 | 770 | 870 |
XZS-600 | 530 | 430 | 240 | 600 | 100 | 70 | 430 | 419 | 780 | 897 | 1013 |
XZS-800 | 680 | 580 | 240 | 800 | 125 | 90 | 540 | 435 | 850 | 1003 | 1152 |
XZS-1000 | 800 | 700 | 240 | 970 | 150 | 100 | 643 | 445 | 866 | 1015 | 1165 |
XZS-1200 | 985 | 855 | 400 | 1170 | 180 | 120 | 750 | 555 | 1035 | 1204 | 1373 |
XZS-1500 | 1190 | 1050 | 400 | 1470 | 200 | 120 | 930 | 556 | 1072 | 1249 | 1425 |
XZS-1800 | 1540 | 1440 | 400 | 1770 | 200 | 120 | 1025 | 680 | 1225 | 1394 | 1562 |
XZS-2000 | 1800 | 1720 | 400 | 1960 | 200 | 170 | 1260 | 680 | 1250 | 1420 | 1586 |
雾化铁粉振动筛分机适用的行业:
化工行业:树脂、涂料、工业药品、化妆品、油漆、中药粉等。
食品行业:糖粉、淀粉、食盐、米粉、奶粉、豆浆、蛋粉、酱油、果汁等。
金属、冶金矿业:铝粉、铅粉、铜粉、矿石、合金粉、焊条粉末、二氧化锰、电解铜粉、电磁性材料、研磨粉、耐火材料、高
岭土、石灰、氧化铝、重质碳酸钙、石英砂等。 公害处理:废油、废水、染整废水、助剂、活性碳等。
雾化铁粉振动筛分机厂家友情提示:请通过正规渠道购买奥创雾化铁粉振动筛分机,以保障您的合法权益!
优质雾化铁粉振动筛分机选河南奥创机械:;
24小时服务热线:杜经理 13462******